16006/HR22Q2轴承
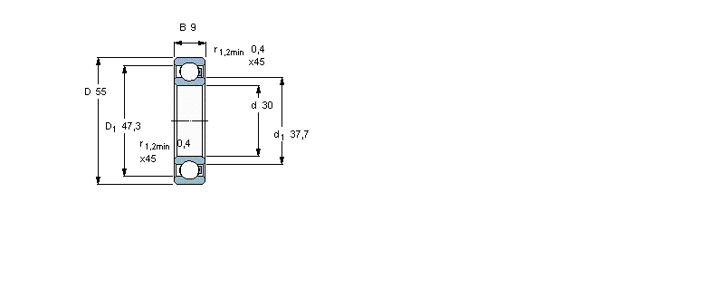
16006/HR22Q2轴承(内径:30 外径:55厚度:9的聚合物球轴承),16006/HR22Q2轴承是苏州凯诺永晟提供的SKF品牌轴承,
此外我公司还为您推荐各种国产、其他进口品牌替换16006/HR22Q2轴承。公司承载着“以质量为本,服务为路线”的道路深得各机械行业公司的信任!
更多高转速、高载荷等适用于极限环境的轴承库存现货,请致电“0512-57922999”咨询!
| 聚合物球轴承,单列球轴承, PP/PP/glass/PP | ||||||||
|
|
||||||||
| 主要数据尺寸 | 负荷能力 | 额定速度 | 体积 | 型号 | ||||
| d | D | B | 动态 1) | 静态 2) | 最大 3) | 最大 | - | |
| 1) above 50 °C and/or above 20 % | 3) Consider load carrying | |||||||
| of max speed rating consider | capability reduction according | |||||||
| reduction according to diagram | to diagram | |||||||
| 2) above 50 °C consider | ||||||||
| reduction according to diagram | ||||||||
|
|
||||||||
| mm | kN | r/min | kg | - | ||||
|
|
||||||||
| 30 | 55 | 9 | 0,26 | 0,19 | 790 | 0,022 | 16006/HR22Q2 | |
此轴承 样本图纸
同品牌推荐
轴承广泛应用于:冷水机 压塑机 铸造及热处理设备 压合机 钻套 涂装除尘设备 剪脚机 航空航天 铲车 多级减速机 波纹管设备 凸版印刷机 圆柱齿轮减速机 气动搅拌机 弯曲试验机 等领域。
