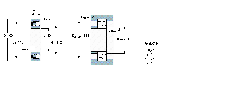
2218轴承
			 2218轴承(内径:90 外径:160厚度:40的自调心球轴承),2218轴承是苏州凯诺永晟提供的SKF品牌轴承,
			 此外我公司还为您推荐各种国产、其他进口品牌替换2218轴承。公司承载着“以质量为本,服务为路线”的道路深得各机械行业公司的信任!
			 更多高转速、高载荷等适用于极限环境的轴承库存现货,请致电“0512-57922999”咨询!
		   
		  
  | 自调心球轴承, 圆柱孔和圆锥孔, 圆柱型内孔, 无密封件 | ||||||||||
| 公差 , 参见文字 | ||||||||||
| 径向内部游隙 , 参见文字 | ||||||||||
| 推荐配合 | ||||||||||
| 轴和轴承座公差 | ||||||||||
|   | ||||||||||
| 主要数据尺寸 | 基本负荷额定值 | 疲劳负荷限值 | 额定速度 | 体积 | 型号 | |||||
| 动态 | 静态 | 参照速度 | 限制速度 | |||||||
| d | D | B | C | C0 | Pu | |||||
|   | ||||||||||
| mm | kN | kN | r/min | kg | - | |||||
|   | ||||||||||
| 90 | 160 | 40 | 70,2 | 28,5 | 1,32 | 7500 | 5300 | 3,40 | 2218 | |
此轴承 样本图纸
同品牌推荐
轴承广泛应用于:塑料焊机 机床主轴 焦化设备 干燥设备 滚动导轨 通信 搪瓷反应釜 自然通风冷却塔 节能焊机 真空干燥机 纺织辅助设备 打包机械 摇臂钻床 斗式提升机 路面机械 等领域。

