22214E/W64轴承
22214E/W64轴承(内径:70 外径:125厚度:31的球面滚子轴承),22214E/W64轴承是苏州凯诺永晟提供的SKF品牌轴承,
此外我公司还为您推荐各种国产、其他进口品牌替换22214E/W64轴承。公司承载着“以质量为本,服务为路线”的道路深得各机械行业公司的信任!
更多高转速、高载荷等适用于极限环境的轴承库存现货,请致电“0512-57922999”咨询!
| 球面滚子轴承, 圆柱型内孔,含Solid Oil, 圆柱型内孔 | |||||||||
| 公差 , 参见文字 | |||||||||
| 径向内部游隙 , 参见文字 | |||||||||
| 推荐配合 | |||||||||
| 轴和轴承座公差 | |||||||||
|
|
|||||||||
| 主要数据尺寸 | 基本负荷额定值 | 疲劳负荷限值 | 限制速度 | 体积 | 型号 | ||||
| 动态 | 静态 | ||||||||
| d | D | B | C | C0 | Pu | * - SKF Explorer 轴承 | |||
|
|
|||||||||
| mm | kN | kN | r/min | kg | - | ||||
|
|
|||||||||
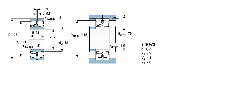
| 70 | 125 | 31 | 208 | 228 | 25,5 | 430 | 1,55 | 22214 E/W64 * | |
此轴承 样本图纸
同品牌推荐
轴承广泛应用于:汽车消声器 冶金 混凝土搅拌机 真空吸盘 休闲食品加工设备 往复泵 闭式反应釜 单梁起重机 电脑绣花机 行星减速机 混凝土搅拌机 导线剥皮机 磁性分离器 水洗机 闪蒸干燥机 等领域。
