22215E/W64轴承
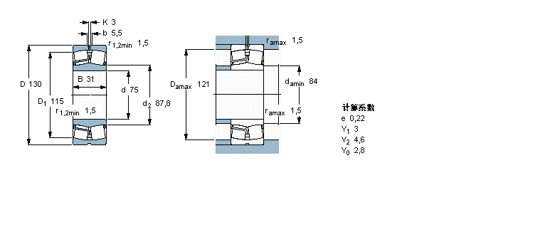
22215E/W64轴承(内径:75 外径:130厚度:31的球面滚子轴承),22215E/W64轴承是苏州凯诺永晟提供的SKF品牌轴承,
此外我公司还为您推荐各种国产、其他进口品牌替换22215E/W64轴承。公司承载着“以质量为本,服务为路线”的道路深得各机械行业公司的信任!
更多高转速、高载荷等适用于极限环境的轴承库存现货,请致电“0512-57922999”咨询!
| 球面滚子轴承, 圆柱型内孔,含Solid Oil, 圆柱型内孔 | |||||||||
| 公差 , 参见文字 | |||||||||
| 径向内部游隙 , 参见文字 | |||||||||
| 推荐配合 | |||||||||
| 轴和轴承座公差 | |||||||||
|
|
|||||||||
| 主要数据尺寸 | 基本负荷额定值 | 疲劳负荷限值 | 限制速度 | 体积 | 型号 | ||||
| 动态 | 静态 | ||||||||
| d | D | B | C | C0 | Pu | * - SKF Explorer 轴承 | |||
|
|
|||||||||
| mm | kN | kN | r/min | kg | - | ||||
|
|
|||||||||
| 75 | 130 | 31 | 212 | 240 | 26,5 | 400 | 1,70 | 22215 E/W64 * | |
此轴承 样本图纸
同品牌推荐
轴承广泛应用于:饮料生产设备 提升设备 检验分析设备 工程及工程设计 风冷却器 橡胶裁断机 压力试验机 整熨设备洗涤设备 分度盘、分度头 化工设备配件 深孔钻床 管道泵 行星减速机 熨烫机 无级变速机 等领域。
