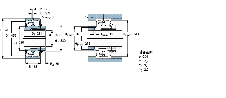
22352CCK/W33+OH2352H轴承
22352CCK/W33+OH2352H轴承(内径:240 外径:540厚度:165的球面滚子轴承),22352CCK/W33+OH2352H轴承是苏州凯诺永晟提供的SKF品牌轴承,
此外我公司还为您推荐各种国产、其他进口品牌替换22352CCK/W33+OH2352H轴承。公司承载着“以质量为本,服务为路线”的道路深得各机械行业公司的信任!
更多高转速、高载荷等适用于极限环境的轴承库存现货,请致电“0512-57922999”咨询!
| 球面滚子轴承, 带紧定套的 | ||||||||||
| 公差 , 参见文字 | ||||||||||
| 径向内部游隙 , 参见文字 | ||||||||||
| 推荐配合 | ||||||||||
| 轴和轴承座公差 | ||||||||||
|
|
||||||||||
| 主要数据尺寸 | 基本负荷额定值 | 疲劳负荷限值 | 额定速度 | 体积 | 型号 | |||||
| 动态 | 静态 | 参照速度 | 限制速度 | 轴承 + 紧定套 | ||||||
| d1 | D | B | C | C0 | Pu | |||||
| * - SKF Explorer 轴承 | ||||||||||
|
|
||||||||||
| mm | kN | kN | r/min | kg | - | |||||
|
|
||||||||||
| 240 | 540 | 165 | 3550 | 4550 | 325 | 850 | 1100 | 215 | 22352 CCK/W33 + OH 2352 H * | |
此轴承 样本图纸
同品牌推荐
轴承广泛应用于:充磁机 燃气炉 垃圾焚烧炉 钻探机 立式橡胶机械 电动焊机 豆制品加工设备 升降机 电镀冷冻机 滚齿机 电焊、切割设备 橡胶定型机 铸造设备 风冷却器 茶餐厅设备 等领域。
