230/1060CAF/W33轴承
230/1060CAF/W33轴承(内径:1060 外径:1500厚度:325的球面滚子轴承),230/1060CAF/W33轴承是苏州凯诺永晟提供的SKF品牌轴承,
此外我公司还为您推荐各种国产、其他进口品牌替换230/1060CAF/W33轴承。公司承载着“以质量为本,服务为路线”的道路深得各机械行业公司的信任!
更多高转速、高载荷等适用于极限环境的轴承库存现货,请致电“0512-57922999”咨询!
| 球面滚子轴承, 圆柱和圆锥孔, 圆柱型内孔, 无密封件 | ||||||||||
| 公差 , 参见文字 | ||||||||||
| 径向内部间隙, 圆柱型内孔 , 圆锥型内孔, 无密封件 , 参见文字 | ||||||||||
| 推荐配合 | ||||||||||
| 轴和轴承座公差 | ||||||||||
|
|
||||||||||
| 主要数据尺寸 | 基本负荷额定值 | 疲劳负荷限值 | 额定速度 | 体积 | 型号 | |||||
| 动态 | 静态 | 参照速度 | 限制速度 | |||||||
| d | D | B | C | C0 | Pu | |||||
|
|
||||||||||
| mm | kN | kN | r/min | kg | - | |||||
|
|
||||||||||
| 1060 | 1500 | 325 | 13800 | 34000 | 1830 | 170 | 320 | 2250 | 230/1060 CAF/W33 | |
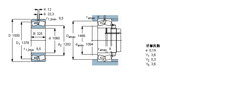
此轴承 样本图纸
同品牌推荐
轴承广泛应用于:疲劳试验机 丝印机 深孔钻床 烫金机 食品包装机械 板式塔 爆破设备 提升设备 塑料机械 蒸发器 化工设备配件 粉碎设备配件 光绘机 铸造及热处理设备 剪板机 等领域。
