230/1250CAF/W33轴承
			 230/1250CAF/W33轴承(内径:1250 外径:1750厚度:375的球面滚子轴承),230/1250CAF/W33轴承是苏州凯诺永晟提供的SKF品牌轴承,
			 此外我公司还为您推荐各种国产、其他进口品牌替换230/1250CAF/W33轴承。公司承载着“以质量为本,服务为路线”的道路深得各机械行业公司的信任!
			 更多高转速、高载荷等适用于极限环境的轴承库存现货,请致电“0512-57922999”咨询!
		   
		  
  | 球面滚子轴承, 圆柱和圆锥孔, 圆柱型内孔, 无密封件 | ||||||||||
| 公差 , 参见文字 | ||||||||||
| 径向内部间隙, 圆柱型内孔 , 圆锥型内孔, 无密封件 , 参见文字 | ||||||||||
| 推荐配合 | ||||||||||
| 轴和轴承座公差 | ||||||||||
|   | ||||||||||
| 主要数据尺寸 | 基本负荷额定值 | 疲劳负荷限值 | 额定速度 | 体积 | 型号 | |||||
| 动态 | 静态 | 参照速度 | 限制速度 | |||||||
| d | D | B | C | C0 | Pu | |||||
|   | ||||||||||
| mm | kN | kN | r/min | kg | - | |||||
|   | ||||||||||
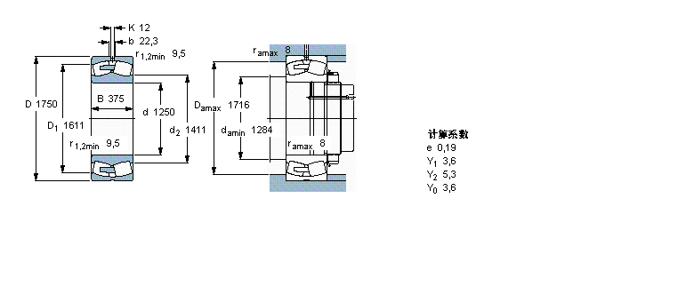
| 1250 | 1750 | 375 | 17900 | 45000 | 2400 | 130 | 240 | 2840 | 230/1250 CAF/W33 | |
此轴承 样本图纸
同品牌推荐
轴承广泛应用于:其他纺织设备和器材 叉车 高周波焊机 逆变焊机 平衡机 凸版印刷机 制药设备 静压导轨 酿酒设备 垃圾焚烧炉 摇臂钻床 软化水设备 食品杀菌设备 气动搅拌机 焊接辅机 等领域。

