23030CC/W33轴承
			 23030CC/W33轴承(内径:150 外径:225厚度:56的球面滚子轴承),23030CC/W33轴承是苏州凯诺永晟提供的SKF品牌轴承,
			 此外我公司还为您推荐各种国产、其他进口品牌替换23030CC/W33轴承。公司承载着“以质量为本,服务为路线”的道路深得各机械行业公司的信任!
			 更多高转速、高载荷等适用于极限环境的轴承库存现货,请致电“0512-57922999”咨询!
		   
		  
  | 球面滚子轴承, 圆柱和圆锥孔, 圆柱型内孔, 无密封件 | ||||||||||
| 公差 , 参见文字 | ||||||||||
| 径向内部间隙, 圆柱型内孔 , 圆锥型内孔, 无密封件 , 参见文字 | ||||||||||
| 推荐配合 | ||||||||||
| 轴和轴承座公差 | ||||||||||
|   | ||||||||||
| 主要数据尺寸 | 基本负荷额定值 | 疲劳负荷限值 | 额定速度 | 体积 | 型号 | |||||
| 动态 | 静态 | 参照速度 | 限制速度 | |||||||
| d | D | B | C | C0 | Pu | * - SKF Explorer 轴承 | ||||
|   | ||||||||||
| mm | kN | kN | r/min | kg | - | |||||
|   | ||||||||||
| 150 | 225 | 56 | 510 | 750 | 73,5 | 2400 | 3200 | 7,95 | 23030 CC/W33 * | |
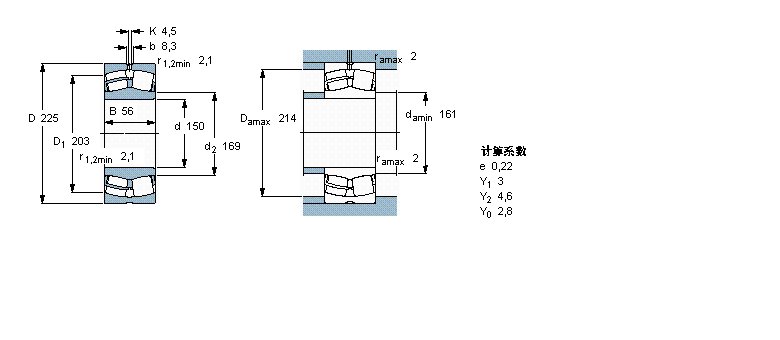
此轴承 样本图纸
同品牌推荐
轴承广泛应用于:变频泵 饲料加工设备 纺机配件 单级泵 气流干燥设备 拉力试验机 无级变速机 重选设备 手柄 平衡机 棉麻毛初加工设备 筛粉机 污水处理设备 屠宰及肉类初加工设备 潜水泵 等领域。

