231/800CAK/W33+OH31/800H轴承
231/800CAK/W33+OH31/800H轴承(内径:750 外径:1280厚度:375的球面滚子轴承),231/800CAK/W33+OH31/800H轴承是苏州凯诺永晟提供的SKF品牌轴承,
此外我公司还为您推荐各种国产、其他进口品牌替换231/800CAK/W33+OH31/800H轴承。公司承载着“以质量为本,服务为路线”的道路深得各机械行业公司的信任!
更多高转速、高载荷等适用于极限环境的轴承库存现货,请致电“0512-57922999”咨询!
| 球面滚子轴承, 带紧定套的 | ||||||||||
| 公差 , 参见文字 | ||||||||||
| 径向内部游隙 , 参见文字 | ||||||||||
| 推荐配合 | ||||||||||
| 轴和轴承座公差 | ||||||||||
|
|
||||||||||
| 主要数据尺寸 | 基本负荷额定值 | 疲劳负荷限值 | 额定速度 | 体积 | 型号 | |||||
| 动态 | 静态 | 参照速度 | 限制速度 | 轴承 + 紧定套 | ||||||
| d1 | D | B | C | C0 | Pu | |||||
|
|
||||||||||
| mm | kN | kN | r/min | kg | - | |||||
|
|
||||||||||
| 750 | 1280 | 375 | 14800 | 31500 | 1800 | 200 | 400 | 2430 | 231/800 CAK/W33 + OH 31/800 H | |
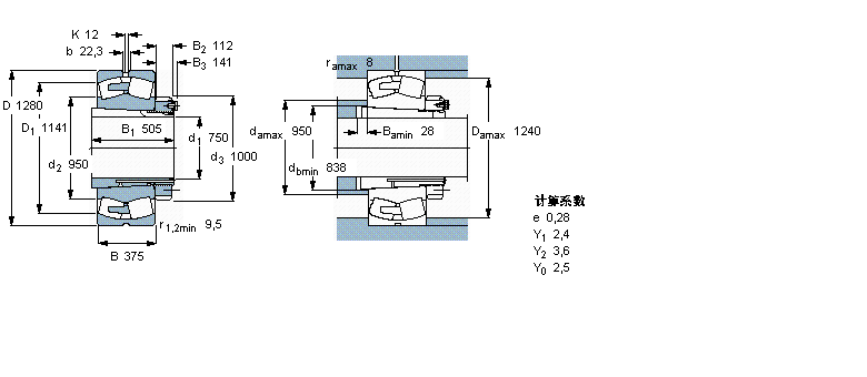
此轴承 样本图纸
同品牌推荐
轴承广泛应用于:平板 其它未分类 热熔胶机 疲劳试验机 挤水机 分度盘、分度头 塑料造粒机 制剂机械 矿业元素分析仪 医用车、床、台 厨房设备 消毒灭菌设备 餐饮创业设备 浮选设备 纺机与配件 等领域。
