23172CCK/W33轴承
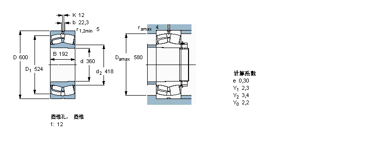
23172CCK/W33轴承(内径:360 外径:600厚度:192的球面滚子轴承),23172CCK/W33轴承是苏州凯诺永晟提供的SKF品牌轴承,
此外我公司还为您推荐各种国产、其他进口品牌替换23172CCK/W33轴承。公司承载着“以质量为本,服务为路线”的道路深得各机械行业公司的信任!
更多高转速、高载荷等适用于极限环境的轴承库存现货,请致电“0512-57922999”咨询!
| 球面滚子轴承, 圆柱和圆锥孔, 圆锥型内孔, 无密封件 | ||||||||||
| 公差 , 参见文字 | ||||||||||
| 径向内部间隙, 圆柱型内孔 , 圆锥型内孔, 无密封件 , 参见文字 | ||||||||||
| 推荐配合 | ||||||||||
| 轴和轴承座公差 | ||||||||||
|
|
||||||||||
| 主要数据尺寸 | 基本负荷额定值 | 疲劳负荷限值 | 额定速度 | 体积 | 型号 | |||||
| 动态 | 静态 | 参照速度 | 限制速度 | |||||||
| d | D | B | C | C0 | Pu | * - SKF Explorer 轴承 | ||||
|
|
||||||||||
| mm | kN | kN | r/min | kg | - | |||||
|
|
||||||||||
| 360 | 600 | 192 | 4300 | 6950 | 490 | 750 | 1000 | 215 | 23172 CCK/W33 * | |
此轴承 样本图纸
同品牌推荐
轴承广泛应用于:空气锤 铸造及热处理设备 化工成套设备 列管式换热器 开式反应釜 注塑机配件 回流焊接机 塑料焊机 食用油加工设备 饮品店设备 跳线机 封口机械 玻璃磨边机 滚焊机 强度试验机 等领域。
