23240CC/W33轴承
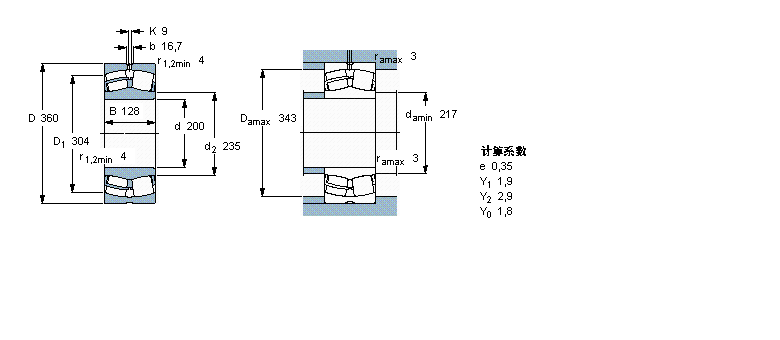
23240CC/W33轴承(内径:200 外径:360厚度:128的球面滚子轴承),23240CC/W33轴承是苏州凯诺永晟提供的SKF品牌轴承,
此外我公司还为您推荐各种国产、其他进口品牌替换23240CC/W33轴承。公司承载着“以质量为本,服务为路线”的道路深得各机械行业公司的信任!
更多高转速、高载荷等适用于极限环境的轴承库存现货,请致电“0512-57922999”咨询!
| 球面滚子轴承, 圆柱和圆锥孔, 圆柱型内孔, 无密封件 | ||||||||||
| 公差 , 参见文字 | ||||||||||
| 径向内部间隙, 圆柱型内孔 , 圆锥型内孔, 无密封件 , 参见文字 | ||||||||||
| 推荐配合 | ||||||||||
| 轴和轴承座公差 | ||||||||||
|
|
||||||||||
| 主要数据尺寸 | 基本负荷额定值 | 疲劳负荷限值 | 额定速度 | 体积 | 型号 | |||||
| 动态 | 静态 | 参照速度 | 限制速度 | |||||||
| d | D | B | C | C0 | Pu | * - SKF Explorer 轴承 | ||||
|
|
||||||||||
| mm | kN | kN | r/min | kg | - | |||||
|
|
||||||||||
| 200 | 360 | 128 | 1860 | 2700 | 228 | 1200 | 1700 | 58,0 | 23240 CC/W33 * | |
此轴承 样本图纸
同品牌推荐
轴承广泛应用于:分级设备 塑料编织机 自动喷漆枪 休闲食品加工设备 热收缩包装机 翻斗车 畜牧、养殖业机械 节能熔炼炉 开式反应釜 成型机 混凝土泵车 压塑机 铣齿机 减速机 纺织配套电气仪表设备 等领域。
