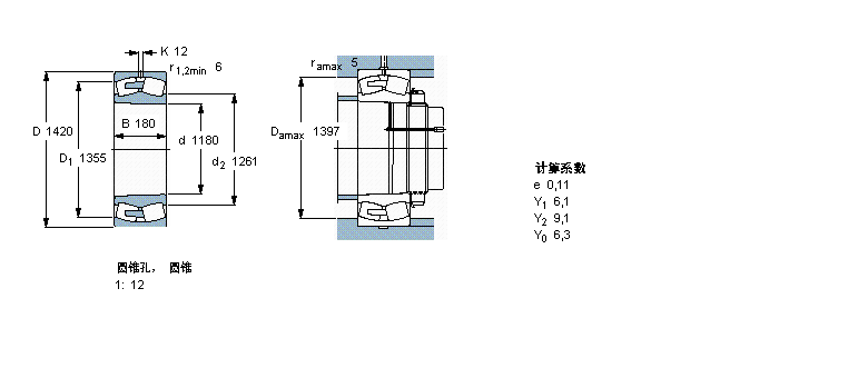
238/1180CAKFA/W20轴承
238/1180CAKFA/W20轴承(内径:1180 外径:1420厚度:180的球面滚子轴承),238/1180CAKFA/W20轴承是苏州凯诺永晟提供的SKF品牌轴承,
此外我公司还为您推荐各种国产、其他进口品牌替换238/1180CAKFA/W20轴承。公司承载着“以质量为本,服务为路线”的道路深得各机械行业公司的信任!
更多高转速、高载荷等适用于极限环境的轴承库存现货,请致电“0512-57922999”咨询!
| 球面滚子轴承, 圆柱和圆锥孔, 圆锥型内孔, 无密封件 | ||||||||||
| 公差 , 参见文字 | ||||||||||
| 径向内部间隙, 圆柱型内孔 , 圆锥型内孔, 无密封件 , 参见文字 | ||||||||||
| 推荐配合 | ||||||||||
| 轴和轴承座公差 | ||||||||||
|
|
||||||||||
| 主要数据尺寸 | 基本负荷额定值 | 疲劳负荷限值 | 额定速度 | 体积 | 型号 | |||||
| 动态 | 静态 | 参照速度 | 限制速度 | |||||||
| d | D | B | C | C0 | Pu | |||||
|
|
||||||||||
| mm | kN | kN | r/min | kg | - | |||||
|
|
||||||||||
| 1180 | 1420 | 180 | 5870 | 18600 | 1080 | 170 | 320 | 555 | 238/1180 CAKFA/W20 | |
此轴承 样本图纸
同品牌推荐
轴承广泛应用于:多功能包装机 凸版印刷机 混凝土机械 化工实验设备 带式干燥设备 滚焊机 打钉机 淬火机床 节能熔炼炉 风冷式冷冻机 强度试验机 纺纱设备(纺机) 玻璃反应釜 变速机 复合机 等领域。
