23948CCK/W33+OH3948H轴承
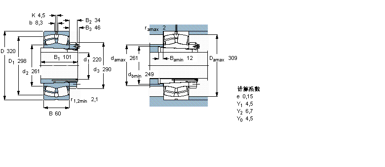
23948CCK/W33+OH3948H轴承(内径:220 外径:320厚度:60的球面滚子轴承),23948CCK/W33+OH3948H轴承是苏州凯诺永晟提供的SKF品牌轴承,
此外我公司还为您推荐各种国产、其他进口品牌替换23948CCK/W33+OH3948H轴承。公司承载着“以质量为本,服务为路线”的道路深得各机械行业公司的信任!
更多高转速、高载荷等适用于极限环境的轴承库存现货,请致电“0512-57922999”咨询!
| 球面滚子轴承, 带紧定套的 | ||||||||||
| 公差 , 参见文字 | ||||||||||
| 径向内部游隙 , 参见文字 | ||||||||||
| 推荐配合 | ||||||||||
| 轴和轴承座公差 | ||||||||||
|
|
||||||||||
| 主要数据尺寸 | 基本负荷额定值 | 疲劳负荷限值 | 额定速度 | 体积 | 型号 | |||||
| 动态 | 静态 | 参照速度 | 限制速度 | 轴承 + 紧定套 | ||||||
| d1 | D | B | C | C0 | Pu | |||||
|
|
||||||||||
| mm | kN | kN | r/min | kg | - | |||||
|
|
||||||||||
| 220 | 320 | 60 | 564 | 1160 | 98 | 1700 | 2000 | 24,5 | 23948 CCK/W33 + OH 3948 H | |
此轴承 样本图纸
同品牌推荐
轴承广泛应用于:炼化设备 医护辅助设备 化工成型设备 制袋机 电动搅拌机 点胶设备 钻床 凹版印刷机 无级变速机 铣床 条码设备 再生破碎机 注塑机配件 起重机 列管式换热器 等领域。
