23988CC/W33轴承
			 23988CC/W33轴承(内径:440 外径:600厚度:118的球面滚子轴承),23988CC/W33轴承是苏州凯诺永晟提供的SKF品牌轴承,
			 此外我公司还为您推荐各种国产、其他进口品牌替换23988CC/W33轴承。公司承载着“以质量为本,服务为路线”的道路深得各机械行业公司的信任!
			 更多高转速、高载荷等适用于极限环境的轴承库存现货,请致电“0512-57922999”咨询!
		   
		  
  | 球面滚子轴承, 圆柱和圆锥孔, 圆柱型内孔, 无密封件 | ||||||||||
| 公差 , 参见文字 | ||||||||||
| 径向内部间隙, 圆柱型内孔 , 圆锥型内孔, 无密封件 , 参见文字 | ||||||||||
| 推荐配合 | ||||||||||
| 轴和轴承座公差 | ||||||||||
|   | ||||||||||
| 主要数据尺寸 | 基本负荷额定值 | 疲劳负荷限值 | 额定速度 | 体积 | 型号 | |||||
| 动态 | 静态 | 参照速度 | 限制速度 | |||||||
| d | D | B | C | C0 | Pu | * - SKF Explorer 轴承 | ||||
|   | ||||||||||
| mm | kN | kN | r/min | kg | - | |||||
|   | ||||||||||
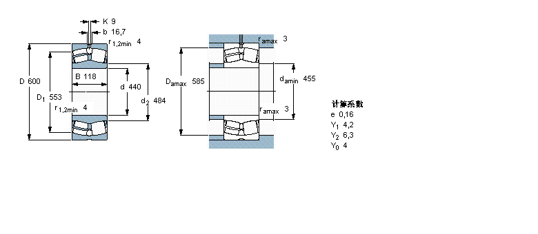
| 440 | 600 | 118 | 2450 | 4900 | 345 | 950 | 1000 | 99,5 | 23988 CC/W33 * | |
此轴承 样本图纸
同品牌推荐
轴承广泛应用于:中频电源 化纤机械 防尘布 压塑机 切纸机 前帮机 电磁吸盘 搅拌机 集装机械 压片机 医护辅助设备 冲孔机 钻床 气动搅拌机 检针设备 等领域。

