240/950CAF/W33轴承
240/950CAF/W33轴承(内径:950 外径:1360厚度:412的球面滚子轴承),240/950CAF/W33轴承是苏州凯诺永晟提供的SKF品牌轴承,
此外我公司还为您推荐各种国产、其他进口品牌替换240/950CAF/W33轴承。公司承载着“以质量为本,服务为路线”的道路深得各机械行业公司的信任!
更多高转速、高载荷等适用于极限环境的轴承库存现货,请致电“0512-57922999”咨询!
| 球面滚子轴承, 圆柱和圆锥孔, 圆柱型内孔, 无密封件 | ||||||||||
| 公差 , 参见文字 | ||||||||||
| 径向内部间隙, 圆柱型内孔 , 圆锥型内孔, 无密封件 , 参见文字 | ||||||||||
| 推荐配合 | ||||||||||
| 轴和轴承座公差 | ||||||||||
|
|
||||||||||
| 主要数据尺寸 | 基本负荷额定值 | 疲劳负荷限值 | 额定速度 | 体积 | 型号 | |||||
| 动态 | 静态 | 参照速度 | 限制速度 | |||||||
| d | D | B | C | C0 | Pu | |||||
|
|
||||||||||
| mm | kN | kN | r/min | kg | - | |||||
|
|
||||||||||
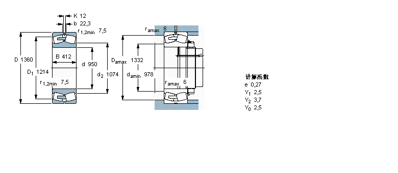
| 950 | 1360 | 412 | 14800 | 39000 | 2320 | 170 | 300 | 1990 | 240/950 CAF/W33 | |
此轴承 样本图纸
同品牌推荐
轴承广泛应用于:缝鞋机 凹版印刷机 铣床 干燥机 塔式起重机 卧式车床 纺机与配件 回流焊接机 减速箱 海德堡印刷机 脱硫除尘设备 塑料混色机 激光切割机 胶囊充填机 点焊机 等领域。
