248/1500CAFA/W20轴承
248/1500CAFA/W20轴承(内径:1500 外径:1820厚度:315的球面滚子轴承),248/1500CAFA/W20轴承是苏州凯诺永晟提供的SKF品牌轴承,
此外我公司还为您推荐各种国产、其他进口品牌替换248/1500CAFA/W20轴承。公司承载着“以质量为本,服务为路线”的道路深得各机械行业公司的信任!
更多高转速、高载荷等适用于极限环境的轴承库存现货,请致电“0512-57922999”咨询!
| 球面滚子轴承, 圆柱和圆锥孔, 圆柱型内孔, 无密封件 | ||||||||||
| 公差 , 参见文字 | ||||||||||
| 径向内部间隙, 圆柱型内孔 , 圆锥型内孔, 无密封件 , 参见文字 | ||||||||||
| 推荐配合 | ||||||||||
| 轴和轴承座公差 | ||||||||||
|
|
||||||||||
| 主要数据尺寸 | 基本负荷额定值 | 疲劳负荷限值 | 额定速度 | 体积 | 型号 | |||||
| 动态 | 静态 | 参照速度 | 限制速度 | |||||||
| d | D | B | C | C0 | Pu | |||||
|
|
||||||||||
| mm | kN | kN | r/min | kg | - | |||||
|
|
||||||||||
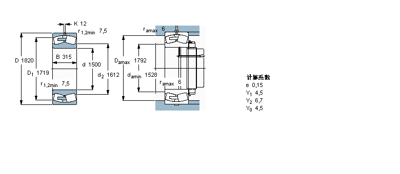
| 1500 | 1820 | 315 | 12700 | 45000 | 2400 | 110 | 200 | 1710 | 248/1500 CAFA/W20 | |
此轴承 样本图纸
同品牌推荐
轴承广泛应用于:化纤机械 气体保护焊机 塑料管材设备 康复理疗设备 钢筋切断机 管道泵 压焊机 卡盘 脉冲焊机 对弧样板 筛分设备 金属包装机械 口服液制药设备 圆柱齿轮减速机 塑料造粒机 等领域。
