248/530CAMA/W20轴承
			 248/530CAMA/W20轴承(内径:530 外径:650厚度:118的球面滚子轴承),248/530CAMA/W20轴承是苏州凯诺永晟提供的SKF品牌轴承,
			 此外我公司还为您推荐各种国产、其他进口品牌替换248/530CAMA/W20轴承。公司承载着“以质量为本,服务为路线”的道路深得各机械行业公司的信任!
			 更多高转速、高载荷等适用于极限环境的轴承库存现货,请致电“0512-57922999”咨询!
		   
		  
  | 球面滚子轴承, 圆柱和圆锥孔, 圆柱型内孔, 无密封件 | ||||||||||
| 公差 , 参见文字 | ||||||||||
| 径向内部间隙, 圆柱型内孔 , 圆锥型内孔, 无密封件 , 参见文字 | ||||||||||
| 推荐配合 | ||||||||||
| 轴和轴承座公差 | ||||||||||
|   | ||||||||||
| 主要数据尺寸 | 基本负荷额定值 | 疲劳负荷限值 | 额定速度 | 体积 | 型号 | |||||
| 动态 | 静态 | 参照速度 | 限制速度 | |||||||
| d | D | B | C | C0 | Pu | |||||
|   | ||||||||||
| mm | kN | kN | r/min | kg | - | |||||
|   | ||||||||||
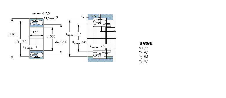
| 530 | 650 | 118 | 1840 | 5300 | 380 | 480 | 950 | 86,0 | 248/530 CAMA/W20 | |
此轴承 样本图纸
同品牌推荐
轴承广泛应用于:编织机 发泡设备 制冷压缩机 拉床 矿山施工设备 燃烧器 铣床 注塑机 压平机 塑料压延机 烤漆设备 矿业金属探测仪 压合机 隔膜泵 自动泵 等领域。

