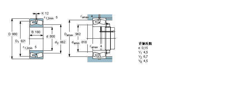
248/800CAMA/W20轴承
			 248/800CAMA/W20轴承(内径:800 外径:980厚度:180的球面滚子轴承),248/800CAMA/W20轴承是苏州凯诺永晟提供的SKF品牌轴承,
			 此外我公司还为您推荐各种国产、其他进口品牌替换248/800CAMA/W20轴承。公司承载着“以质量为本,服务为路线”的道路深得各机械行业公司的信任!
			 更多高转速、高载荷等适用于极限环境的轴承库存现货,请致电“0512-57922999”咨询!
		   
		  
  | 球面滚子轴承, 圆柱和圆锥孔, 圆柱型内孔, 无密封件 | ||||||||||
| 公差 , 参见文字 | ||||||||||
| 径向内部间隙, 圆柱型内孔 , 圆锥型内孔, 无密封件 , 参见文字 | ||||||||||
| 推荐配合 | ||||||||||
| 轴和轴承座公差 | ||||||||||
|   | ||||||||||
| 主要数据尺寸 | 基本负荷额定值 | 疲劳负荷限值 | 额定速度 | 体积 | 型号 | |||||
| 动态 | 静态 | 参照速度 | 限制速度 | |||||||
| d | D | B | C | C0 | Pu | |||||
|   | ||||||||||
| mm | kN | kN | r/min | kg | - | |||||
|   | ||||||||||
| 800 | 980 | 180 | 4140 | 12900 | 830 | 300 | 560 | 300 | 248/800 CAMA/W20 | |
此轴承 样本图纸
同品牌推荐
轴承广泛应用于:分切机 重力式喷枪 拖链 减速机 塑料造粒机 冶金 屠宰及肉类初加工设备 不阻塞泵 消毒灭菌设备 滗水器 垃圾处理机 隔音、吸声材料 棉麻毛初加工设备 上光机 分选筛 等领域。

