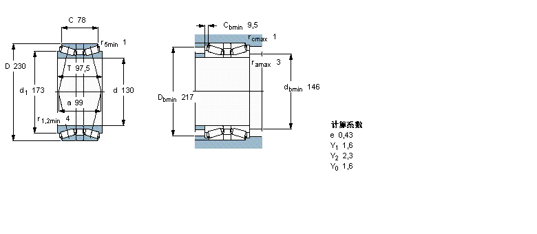
30226T97.5J2/DB轴承
30226T97.5J2/DB轴承(内径:130 外径:230厚度:97.5的圆锥滚子轴承),30226T97.5J2/DB轴承是苏州凯诺永晟提供的SKF品牌轴承,
此外我公司还为您推荐各种国产、其他进口品牌替换30226T97.5J2/DB轴承。公司承载着“以质量为本,服务为路线”的道路深得各机械行业公司的信任!
更多高转速、高载荷等适用于极限环境的轴承库存现货,请致电“0512-57922999”咨询!
| 圆锥滚子轴承, 单列,背对背配对 | ||||||||||
| 公差 , 参见文字 | ||||||||||
| 轴向内部间隙, 参见文字 | ||||||||||
| 推荐配合 | ||||||||||
| 轴和轴承座公差 | ||||||||||
|
|
||||||||||
| 主要数据尺寸 | 基本负荷额定值 | 疲劳负荷限值 | 额定速度 | 体积 | 型号 | |||||
| 动态 | 静态 | 参照速度 | 限制速度 | |||||||
| d | D | B | C | C0 | Pu | |||||
|
|
||||||||||
| mm | kN | kN | r/min | kg | - | |||||
|
|
||||||||||
| 130 | 230 | 97,5 | 627 | 980 | 106 | 1700 | 2800 | 15,0 | 30226T97.5 J2/DB | |
此轴承 样本图纸
同品牌推荐
轴承广泛应用于:低温冷冻机 塑料编织机 车床 湿式冷却塔 真空干燥机 圆锥齿轮减速机 箱式干燥设备 闪蒸干燥机 橡胶造粒机 裁剪设备 粉碎机 反渗析设备 乳品设备 种植机械 平板 等领域。
