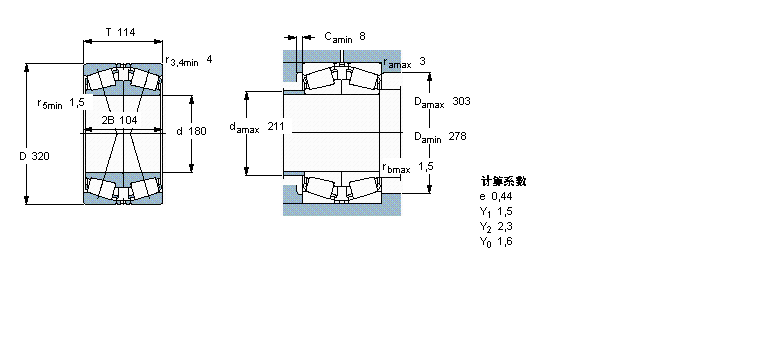
30236J2/DF轴承
			 30236J2/DF轴承(内径:180 外径:320厚度:114的圆锥滚子轴承),30236J2/DF轴承是苏州凯诺永晟提供的SKF品牌轴承,
			 此外我公司还为您推荐各种国产、其他进口品牌替换30236J2/DF轴承。公司承载着“以质量为本,服务为路线”的道路深得各机械行业公司的信任!
			 更多高转速、高载荷等适用于极限环境的轴承库存现货,请致电“0512-57922999”咨询!
		   
		  
  | 圆锥滚子轴承, 单列,面对面配对 | ||||||||||
| 公差 , 参见文字 | ||||||||||
| 轴向内部间隙, 参见文字 | ||||||||||
| 推荐配合 | ||||||||||
| 轴和轴承座公差 | ||||||||||
|   | ||||||||||
| 主要数据尺寸 | 基本负荷额定值 | 疲劳负荷限值 | 额定速度 | 体积 | 型号 | |||||
| 动态 | 静态 | 参照速度 | 限制速度 | |||||||
| d | D | T | C | C0 | Pu | |||||
|   | ||||||||||
| mm | kN | kN | r/min | kg | - | |||||
|   | ||||||||||
| 180 | 320 | 114 | 1010 | 1630 | 160 | 1200 | 2000 | 42,0 | 30236 J2/DF | |

