316011轴承
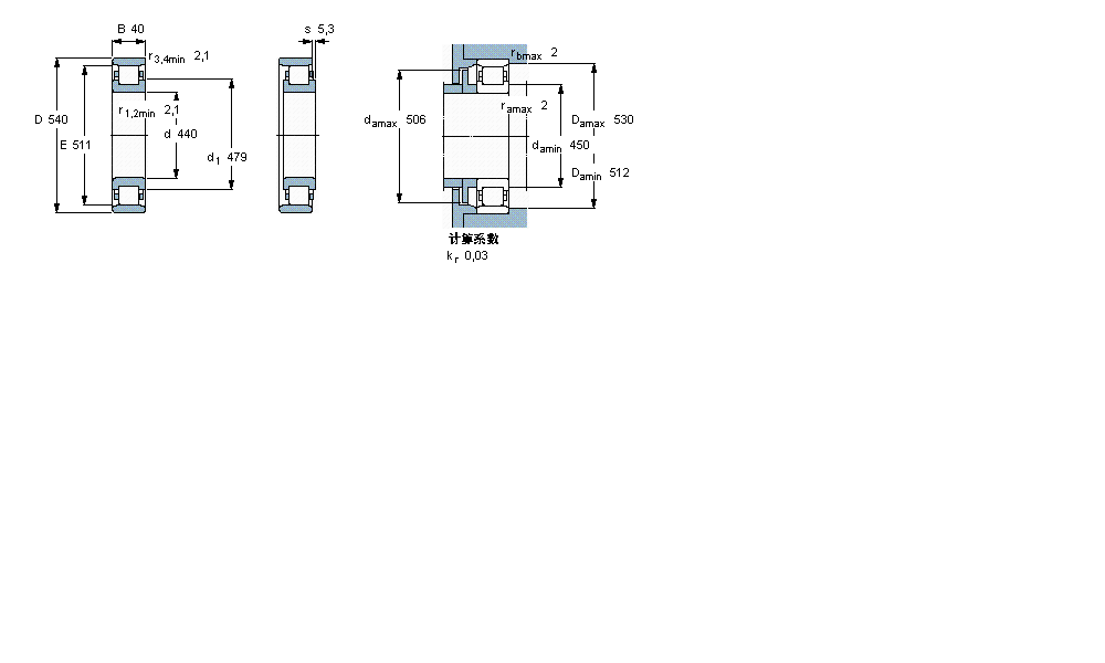
316011轴承(内径:440 外径:540厚度:40的圆柱滚子轴承),316011轴承是苏州凯诺永晟提供的SKF品牌轴承,
此外我公司还为您推荐各种国产、其他进口品牌替换316011轴承。公司承载着“以质量为本,服务为路线”的道路深得各机械行业公司的信任!
更多高转速、高载荷等适用于极限环境的轴承库存现货,请致电“0512-57922999”咨询!
| 圆柱滚子轴承, 单列, N 设计 | ||||||||||||
| 公差 , 参见文字 | ||||||||||||
| 径向内部间隙, 圆柱型内孔 , 圆锥型内孔, 无密封件 , 参见文字 | ||||||||||||
| 推荐配合 | ||||||||||||
| 轴和轴承座公差 | ||||||||||||
|
|
||||||||||||
| 主要数据尺寸 | 基本负荷额定值 | 疲劳负荷限值 | 额定速度 | 体积 | 型号 | 适宜的斜挡圈 | ||||||
| 动态 | 静态 | 参照速度 | 限制速度 | 型号 | ||||||||
| d | D | B | C | C0 | Pu | |||||||
|
|
||||||||||||
| mm | kN | kN | r/min | kg | - | - | ||||||
|
|
||||||||||||
| 440 | 540 | 40 | 292 | 610 | 41,5 | 1100 | 1500 | 18,5 | 316011 | - | ||
此轴承 样本图纸
同品牌推荐
轴承广泛应用于:隔膜泵 塑料挤出机 压光机 振动试验机 机床刀架 针织机械 机械通风冷却塔 焊接辅机 配页机 节能熔炼炉 低噪型冷却塔 针织机械 浮选设备 分样筛 自动泵 等领域。
