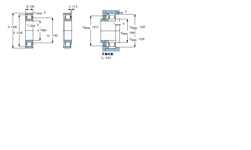
316789/HA1轴承
316789/HA1轴承(内径:1060 外径:1280厚度:100的圆柱滚子轴承),316789/HA1轴承是苏州凯诺永晟提供的SKF品牌轴承,
此外我公司还为您推荐各种国产、其他进口品牌替换316789/HA1轴承。公司承载着“以质量为本,服务为路线”的道路深得各机械行业公司的信任!
更多高转速、高载荷等适用于极限环境的轴承库存现货,请致电“0512-57922999”咨询!
| 圆柱滚子轴承, 单列, N 设计 | ||||||||||||
| 公差 , 参见文字 | ||||||||||||
| 径向内部间隙, 圆柱型内孔 , 圆锥型内孔, 无密封件 , 参见文字 | ||||||||||||
| 推荐配合 | ||||||||||||
| 轴和轴承座公差 | ||||||||||||
|
|
||||||||||||
| 主要数据尺寸 | 基本负荷额定值 | 疲劳负荷限值 | 额定速度 | 体积 | 型号 | 适宜的斜挡圈 | ||||||
| 动态 | 静态 | 参照速度 | 限制速度 | 型号 | ||||||||
| d | D | B | C | C0 | Pu | |||||||
|
|
||||||||||||
| mm | kN | kN | r/min | kg | - | - | ||||||
|
|
||||||||||||
| 1060 | 1280 | 100 | 1510 | 3450 | 220 | 300 | 360 | 230 | 316789/HA1 | - | ||
此轴承 样本图纸
同品牌推荐
轴承广泛应用于:彩印机 手柄套、手柄座 压力试验机 橡胶挤出机 圆锯床 车床 电焊机 贴标机械 锻压机床 吸塑机 覆膜机 乳化机 工业缝纫机 牵引、矫正设备 隔音、吸声材料 等领域。
