32024X/DF轴承
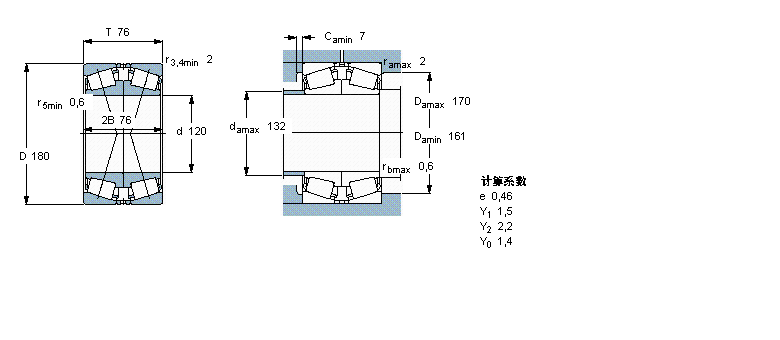
32024X/DF轴承(内径:120 外径:180厚度:76的圆锥滚子轴承),32024X/DF轴承是苏州凯诺永晟提供的SKF品牌轴承,
此外我公司还为您推荐各种国产、其他进口品牌替换32024X/DF轴承。公司承载着“以质量为本,服务为路线”的道路深得各机械行业公司的信任!
更多高转速、高载荷等适用于极限环境的轴承库存现货,请致电“0512-57922999”咨询!
| 圆锥滚子轴承, 单列,面对面配对 | ||||||||||
| 公差 , 参见文字 | ||||||||||
| 轴向内部间隙, 参见文字 | ||||||||||
| 推荐配合 | ||||||||||
| 轴和轴承座公差 | ||||||||||
|
|
||||||||||
| 主要数据尺寸 | 基本负荷额定值 | 疲劳负荷限值 | 额定速度 | 体积 | 型号 | |||||
| 动态 | 静态 | 参照速度 | 限制速度 | |||||||
| d | D | T | C | C0 | Pu | |||||
|
|
||||||||||
| mm | kN | kN | r/min | kg | - | |||||
|
|
||||||||||
| 120 | 180 | 76 | 418 | 830 | 88 | 2000 | 3400 | 6,75 | 32024 X/DF | |
此轴承 样本图纸
同品牌推荐
轴承广泛应用于:带锯床 隔音、吸声材料 柱塞泵 塑料管材设备 轮胎挖掘机 切药机 陶瓷生产线 双梁起重机 横流式冷却塔 五金 押出设备 无级变速机 反应设备 电解槽 切胶机 等领域。
