32038T146X/DBC220轴承
32038T146X/DBC220轴承(内径:190 外径:290厚度:146的圆锥滚子轴承),32038T146X/DBC220轴承是苏州凯诺永晟提供的SKF品牌轴承,
此外我公司还为您推荐各种国产、其他进口品牌替换32038T146X/DBC220轴承。公司承载着“以质量为本,服务为路线”的道路深得各机械行业公司的信任!
更多高转速、高载荷等适用于极限环境的轴承库存现货,请致电“0512-57922999”咨询!
| 圆锥滚子轴承, 单列,背对背配对 | ||||||||||
| 公差 , 参见文字 | ||||||||||
| 轴向内部间隙, 参见文字 | ||||||||||
| 推荐配合 | ||||||||||
| 轴和轴承座公差 | ||||||||||
|
|
||||||||||
| 主要数据尺寸 | 基本负荷额定值 | 疲劳负荷限值 | 额定速度 | 体积 | 型号 | |||||
| 动态 | 静态 | 参照速度 | 限制速度 | |||||||
| d | D | B | C | C0 | Pu | |||||
|
|
||||||||||
| mm | kN | kN | r/min | kg | - | |||||
|
|
||||||||||
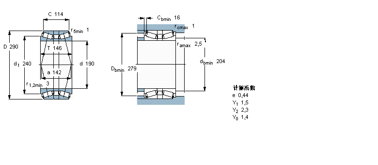
| 190 | 290 | 146 | 1120 | 2400 | 224 | 1200 | 2000 | 31,5 | 32038T146 X/DBC220 | |
此轴承 样本图纸
同品牌推荐
轴承广泛应用于:微波干燥设备 开放式冷水机 燃烧器配件 电热焊机 药用粉碎机械 低噪型冷却塔 拉床 冶炼成套设备 电动焊机 冷焊机 肉制品加工设备 捏合机 滴丸机 耐磨试验机 压铸机 等领域。
