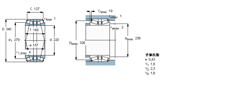
32044T165X/DBC340轴承
32044T165X/DBC340轴承(内径:220 外径:340厚度:165的圆锥滚子轴承),32044T165X/DBC340轴承是苏州凯诺永晟提供的SKF品牌轴承,
此外我公司还为您推荐各种国产、其他进口品牌替换32044T165X/DBC340轴承。公司承载着“以质量为本,服务为路线”的道路深得各机械行业公司的信任!
更多高转速、高载荷等适用于极限环境的轴承库存现货,请致电“0512-57922999”咨询!
| 圆锥滚子轴承, 单列,背对背配对 | ||||||||||
| 公差 , 参见文字 | ||||||||||
| 轴向内部间隙, 参见文字 | ||||||||||
| 推荐配合 | ||||||||||
| 轴和轴承座公差 | ||||||||||
|
|
||||||||||
| 主要数据尺寸 | 基本负荷额定值 | 疲劳负荷限值 | 额定速度 | 体积 | 型号 | |||||
| 动态 | 静态 | 参照速度 | 限制速度 | |||||||
| d | D | B | C | C0 | Pu | |||||
|
|
||||||||||
| mm | kN | kN | r/min | kg | - | |||||
|
|
||||||||||
| 220 | 340 | 165 | 1540 | 3350 | 300 | 1000 | 1700 | 52,0 | 32044T165 X/DBC340 | |
此轴承 样本图纸
同品牌推荐
轴承广泛应用于:切断设备 曲线导轨 刻楦机 陶瓷建材加工设备 潜水泵 重选设备 电渗析设备 均质设备 封闭式冷却塔 印染整机械与设备 塑料成型机 钻探机 网带炉 螺杆式冷水机 钎焊机 等领域。
