32926/DF轴承
			 32926/DF轴承(内径:130 外径:180厚度:64的圆锥滚子轴承),32926/DF轴承是苏州凯诺永晟提供的SKF品牌轴承,
			 此外我公司还为您推荐各种国产、其他进口品牌替换32926/DF轴承。公司承载着“以质量为本,服务为路线”的道路深得各机械行业公司的信任!
			 更多高转速、高载荷等适用于极限环境的轴承库存现货,请致电“0512-57922999”咨询!
		   
		  
  | 圆锥滚子轴承, 单列,面对面配对 | ||||||||||
| 公差 , 参见文字 | ||||||||||
| 轴向内部间隙, 参见文字 | ||||||||||
| 推荐配合 | ||||||||||
| 轴和轴承座公差 | ||||||||||
|   | ||||||||||
| 主要数据尺寸 | 基本负荷额定值 | 疲劳负荷限值 | 额定速度 | 体积 | 型号 | |||||
| 动态 | 静态 | 参照速度 | 限制速度 | |||||||
| d | D | T | C | C0 | Pu | |||||
|   | ||||||||||
| mm | kN | kN | r/min | kg | - | |||||
|   | ||||||||||
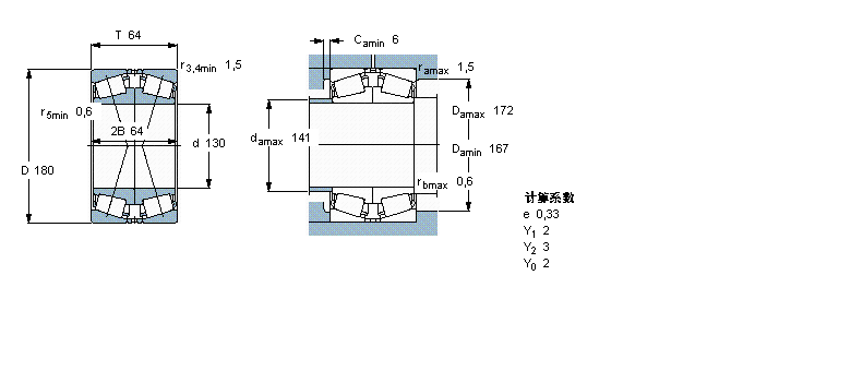
| 130 | 180 | 64 | 341 | 735 | 76,5 | 2000 | 3600 | 4,95 | 32926/DF | |
此轴承 样本图纸
同品牌推荐
轴承广泛应用于:烫台 冷冻食品加工设备 电子产品制造设备 制冷压缩机 筛粉机 数控机床 植保机械 注塑机 水力选矿设备 金属焊机 高压反应釜 制粒干燥设备 吹膜机 电烙铁 柔印机 等领域。

