33019/QDF轴承
33019/QDF轴承(内径:95 外径:145厚度:78的圆锥滚子轴承),33019/QDF轴承是苏州凯诺永晟提供的SKF品牌轴承,
此外我公司还为您推荐各种国产、其他进口品牌替换33019/QDF轴承。公司承载着“以质量为本,服务为路线”的道路深得各机械行业公司的信任!
更多高转速、高载荷等适用于极限环境的轴承库存现货,请致电“0512-57922999”咨询!
| 圆锥滚子轴承, 单列,面对面配对 | ||||||||||
| 公差 , 参见文字 | ||||||||||
| 轴向内部间隙, 参见文字 | ||||||||||
| 推荐配合 | ||||||||||
| 轴和轴承座公差 | ||||||||||
|
|
||||||||||
| 主要数据尺寸 | 基本负荷额定值 | 疲劳负荷限值 | 额定速度 | 体积 | 型号 | |||||
| 动态 | 静态 | 参照速度 | 限制速度 | |||||||
| d | D | T | C | C0 | Pu | |||||
|
|
||||||||||
| mm | kN | kN | r/min | kg | - | |||||
|
|
||||||||||
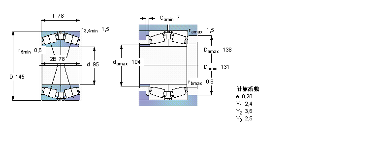
| 95 | 145 | 78 | 380 | 735 | 81,5 | 2600 | 4300 | 5,00 | 33019/QDF | |
此轴承 样本图纸
同品牌推荐
轴承广泛应用于:医用车、床、台 铸造设备 包装 旋振筛 跌落试验机 陶瓷建材加工设备 启闭机 纺织配套电气仪表设备 织造机械 制版机 剪脚机 回转干燥机 热转印设备 齿轮减速机 真空吸盘 等领域。
