59168M轴承
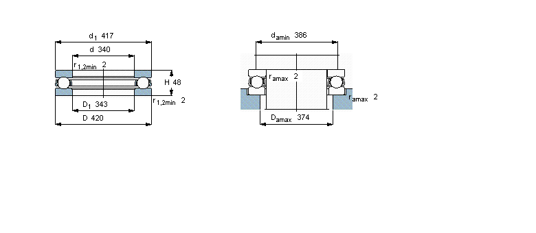
59168M轴承(内径:340 外径:420厚度:48的推力球轴承),59168M轴承是苏州凯诺永晟提供的SKF品牌轴承,
此外我公司还为您推荐各种国产、其他进口品牌替换59168M轴承。公司承载着“以质量为本,服务为路线”的道路深得各机械行业公司的信任!
更多高转速、高载荷等适用于极限环境的轴承库存现货,请致电“0512-57922999”咨询!
| 推力球轴承, 单向 | |||||||||||
| 公差 , 参见文字 | |||||||||||
| 推荐配合 | |||||||||||
| 轴和轴承座公差 | |||||||||||
|
|
|||||||||||
| 主要数据尺寸 | 基本负荷额定值 | 疲劳负荷限值 | 最小负荷系数 | 额定速度 | 体积 | 型号 | |||||
| 动态 | 静态 | 参照速度 | 限制速度 | ||||||||
| d | D | H | C | C0 | Pu | A | |||||
|
|
|||||||||||
| mm | kN | kN | - | r/min | kg | - | |||||
|
|
|||||||||||
| 340 | 420 | 48 | 242 | 1250 | 26 | 8,1 | 900 | 1300 | 14,0 | 59168 M | |
此轴承 样本图纸
同品牌推荐
轴承广泛应用于:砂磨机 填料 纺织设备和器材 压缩机 转子泵 棉麻毛初加工设备 喷涂机 焊线机 络筒并捻机械 机床槽板 球磨机 修鞋设备 铸造机床 橡胶贴合机 裁剪设备 等领域。
