6008-2Z/VA208轴承
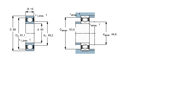
6008-2Z/VA208轴承(内径:40 外径:68厚度:15的深沟球轴承),6008-2Z/VA208轴承是苏州凯诺永晟提供的SKF品牌轴承,
此外我公司还为您推荐各种国产、其他进口品牌替换6008-2Z/VA208轴承。公司承载着“以质量为本,服务为路线”的道路深得各机械行业公司的信任!
更多高转速、高载荷等适用于极限环境的轴承库存现货,请致电“0512-57922999”咨询!
| 深沟球轴承, 用于高温的深沟球轴承, 两面防尘罩 | ||||||||
| 公差 , 参见文字 | ||||||||
| 径向内部间隙, 参见文字 | ||||||||
| 推荐配合 | ||||||||
| 轴和轴承座公差 | ||||||||
|
|
||||||||
| 主要数据尺寸 | 基本负荷额定值 | 径向内部游隙 | 体积 | 型号 | ||||
| 静态 | ||||||||
| d | D | B | C0 | 最小 | 最大 | |||
|
|
||||||||
| mm | kN | μm | kg | - | ||||
|
|
||||||||
| 40 | 68 | 15 | 11,6 | 160 | 256 | 0,17 | 6008-2Z/VA208 | |
此轴承 样本图纸
同品牌推荐
轴承广泛应用于:行车 制丸机 塑料编织机 牵引、矫正设备 纺纱设备 原水处理设备 建筑材料 押出设备 餐饮创业设备 压塑机 制鞋机械 扭转试验机 饼干机械 节能焊机 汽动泵 等领域。
