6209-2Z/VA228轴承
6209-2Z/VA228轴承(内径:45 外径:85厚度:19的深沟球轴承),6209-2Z/VA228轴承是苏州凯诺永晟提供的SKF品牌轴承,
此外我公司还为您推荐各种国产、其他进口品牌替换6209-2Z/VA228轴承。公司承载着“以质量为本,服务为路线”的道路深得各机械行业公司的信任!
更多高转速、高载荷等适用于极限环境的轴承库存现货,请致电“0512-57922999”咨询!
| 深沟球轴承, 用于高温的深沟球轴承, 两面防尘罩 | ||||||||
| 公差 , 参见文字 | ||||||||
| 径向内部间隙, 参见文字 | ||||||||
| 推荐配合 | ||||||||
| 轴和轴承座公差 | ||||||||
|
|
||||||||
| 主要数据尺寸 | 基本负荷额定值 | 径向内部游隙 | 体积 | 型号 | ||||
| 静态 | ||||||||
| d | D | B | C0 | 最小 | 最大 | |||
|
|
||||||||
| mm | kN | μm | kg | - | ||||
|
|
||||||||
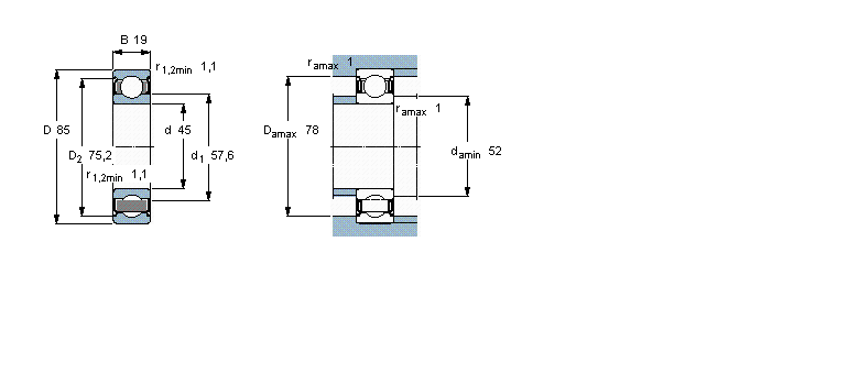
| 45 | 85 | 19 | 21,6 | 180 | 292 | 0,39 | 6209-2Z/VA228 | |
此轴承 样本图纸
同品牌推荐
轴承广泛应用于:橡胶裁断机 试验机 锻压机床 高空作业机械 手柄套、手柄座 升降机 机床垫铁 机床护罩 高周波焊机 变频泵 导线剥皮机 路面机械 提升设备 休闲食品加工设备 铸造设备 等领域。
