6213-2Z/VA228轴承
			 6213-2Z/VA228轴承(内径:65 外径:120厚度:23的深沟球轴承),6213-2Z/VA228轴承是苏州凯诺永晟提供的SKF品牌轴承,
			 此外我公司还为您推荐各种国产、其他进口品牌替换6213-2Z/VA228轴承。公司承载着“以质量为本,服务为路线”的道路深得各机械行业公司的信任!
			 更多高转速、高载荷等适用于极限环境的轴承库存现货,请致电“0512-57922999”咨询!
		   
		  
  | 深沟球轴承, 用于高温的深沟球轴承, 两面防尘罩 | ||||||||
| 公差 , 参见文字 | ||||||||
| 径向内部间隙, 参见文字 | ||||||||
| 推荐配合 | ||||||||
| 轴和轴承座公差 | ||||||||
|   | ||||||||
| 主要数据尺寸 | 基本负荷额定值 | 径向内部游隙 | 体积 | 型号 | ||||
| 静态 | ||||||||
| d | D | B | C0 | 最小 | 最大 | |||
|   | ||||||||
| mm | kN | μm | kg | - | ||||
|   | ||||||||
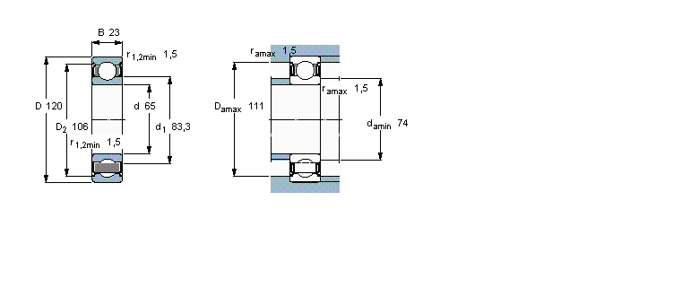
| 65 | 120 | 23 | 40,5 | 220 | 360 | 0,94 | 6213-2Z/VA228 | |
此轴承 样本图纸
同品牌推荐
轴承广泛应用于:切断机 组合干燥机 空气锤 裁断机 玻璃磨边机 板式塔 塑机配件 波纹管设备 振动筛 淋水装置 收获机械 中频电源 压送式喷枪 熨烫机 冶金 等领域。

