629/HR22T2轴承
629/HR22T2轴承(内径:9 外径:26厚度:8的聚合物球轴承),629/HR22T2轴承是苏州凯诺永晟提供的SKF品牌轴承,
此外我公司还为您推荐各种国产、其他进口品牌替换629/HR22T2轴承。公司承载着“以质量为本,服务为路线”的道路深得各机械行业公司的信任!
更多高转速、高载荷等适用于极限环境的轴承库存现货,请致电“0512-57922999”咨询!
| 聚合物球轴承,单列球轴承, PP/PP/stainless steel/PP | ||||||||
|
|
||||||||
| 主要数据尺寸 | 负荷能力 | 额定速度 | 体积 | 型号 | ||||
| d | D | B | 动态 1) | 静态 2) | 最大 3) | 最大 | - | |
| 1) above 50 °C and/or above 20 % | 3) Consider load carrying | |||||||
| of max speed rating consider | capability reduction according | |||||||
| reduction according to diagram | to diagram | |||||||
| 2) above 50 °C consider | ||||||||
| reduction according to diagram | ||||||||
|
|
||||||||
| mm | kN | r/min | kg | - | ||||
|
|
||||||||
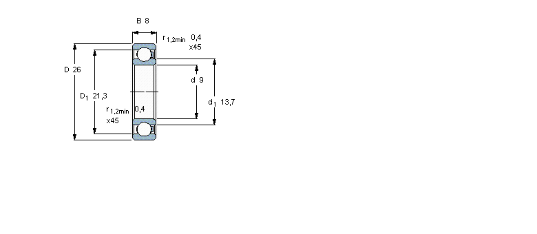
| 9 | 26 | 8 | 0,07 | 0,055 | 1670 | 0,0052 | 629/HR22T2 | |
此轴承 样本图纸
同品牌推荐
轴承广泛应用于:食品包装机械 水冷式冷冻机 震动盘 电热焊机 矿业物探仪器 五金 静电喷涂机 变速机 电脑绣花机 熔融指数仪 花边机 钻机 口服液制药设备 整熨设备洗涤设备 双梁起重机 等领域。
