6300-2Z/VA201轴承
			 6300-2Z/VA201轴承(内径:10 外径:35厚度:11的深沟球轴承),6300-2Z/VA201轴承是苏州凯诺永晟提供的SKF品牌轴承,
			 此外我公司还为您推荐各种国产、其他进口品牌替换6300-2Z/VA201轴承。公司承载着“以质量为本,服务为路线”的道路深得各机械行业公司的信任!
			 更多高转速、高载荷等适用于极限环境的轴承库存现货,请致电“0512-57922999”咨询!
		   
		  
  | 深沟球轴承, 用于高温的深沟球轴承, 两面防尘罩 | ||||||||
| 公差 , 参见文字 | ||||||||
| 径向内部间隙, 参见文字 | ||||||||
| 推荐配合 | ||||||||
| 轴和轴承座公差 | ||||||||
|   | ||||||||
| 主要数据尺寸 | 基本负荷额定值 | 径向内部游隙 | 体积 | 型号 | ||||
| 静态 | ||||||||
| d | D | B | C0 | 最小 | 最大 | |||
|   | ||||||||
| mm | kN | μm | kg | - | ||||
|   | ||||||||
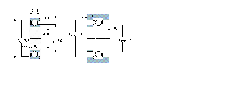
| 10 | 35 | 11 | 3,4 | 80 | 148 | 0,053 | 6300-2Z/VA201 | |
此轴承 样本图纸
同品牌推荐
轴承广泛应用于:塑料成型机 塑料印刷设备 机床主轴 回流焊接机 低温冷冻机 钻套 汽车 压接机 阻火器 定型机 冷镦机 混凝土泵车 钎焊机 排焊机 制袋机 等领域。

