6322/C3VL0241轴承
6322/C3VL0241轴承(内径:110 外径:240厚度:50的深沟球轴承),6322/C3VL0241轴承是苏州凯诺永晟提供的SKF品牌轴承,
此外我公司还为您推荐各种国产、其他进口品牌替换6322/C3VL0241轴承。公司承载着“以质量为本,服务为路线”的道路深得各机械行业公司的信任!
更多高转速、高载荷等适用于极限环境的轴承库存现货,请致电“0512-57922999”咨询!
| 深沟球轴承, 单列,INSOCOAT | ||||||||||
| 公差, 参见文字 | ||||||||||
| 径向内部游隙 , 参见文字 | ||||||||||
| 推荐配合 | ||||||||||
| 轴和轴承座公差 | ||||||||||
|
|
||||||||||
| 主要数据尺寸 | 基本负荷额定值 | 疲劳负荷限值 | 额定速度 | 体积 | 型号 | |||||
| 动态 | 静态 | 参照速度 | 限制速度 | |||||||
| d | D | B | C | C0 | Pu | |||||
|
|
||||||||||
| mm | kN | kN | r/min | kg | - | |||||
|
|
||||||||||
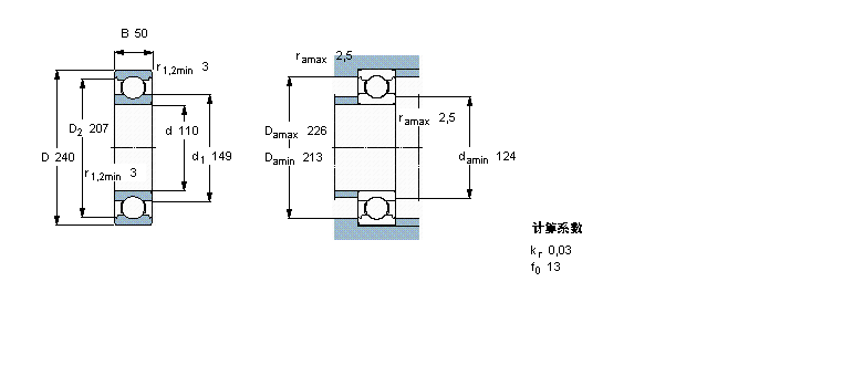
| 110 | 240 | 50 | 203 | 180 | 5,7 | 6000 | 3800 | 9,65 | 6322/C3VL0241 | |
此轴承 样本图纸
同品牌推荐
轴承广泛应用于:单级减速机 化纤机械 制粒干燥设备 农机配件 板式塔 面包房设备 烘干设备 污水处理设备 肥料加工设备 耐材及炉窑 立式车床 炼铁设备 水泥机械 压塑机 橡胶挤出机 等领域。
