812/500M轴承
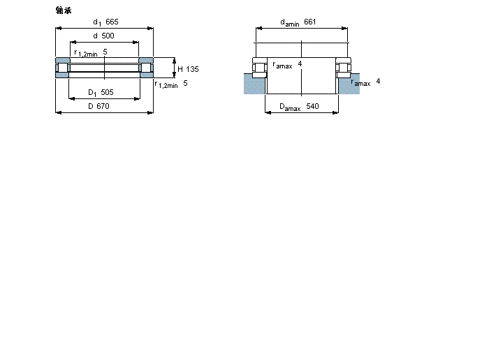
			 812/500M轴承(内径:500 外径:670厚度:135的圆柱滚子推力轴承),812/500M轴承是苏州凯诺永晟提供的SKF品牌轴承,
			 此外我公司还为您推荐各种国产、其他进口品牌替换812/500M轴承。公司承载着“以质量为本,服务为路线”的道路深得各机械行业公司的信任!
			 更多高转速、高载荷等适用于极限环境的轴承库存现货,请致电“0512-57922999”咨询!
		   
		  
  | 圆柱滚子推力轴承, 轴承 / 圆柱滚子和保持架止推组件 | ||||||||||||
| 公差 , 参见文字 | ||||||||||||
| 推荐配合 | ||||||||||||
| 轴和轴承座公差 | ||||||||||||
|   | ||||||||||||
| 主要数据尺寸 | 基本负荷额定值 | 疲劳负荷限值 | 最小负荷系数 | 额定速度 | 体积 | 型号 | ||||||
| 动态 | 静态 | 参照速度 | 限制速度 | 轴承 | 圆柱滚子和保持架止推组件 | |||||||
| d | D | H | C | C0 | Pu | A | ||||||
|   | ||||||||||||
| mm | kN | kN | - | r/min | kg | - | ||||||
|   | ||||||||||||
| 500 | 670 | 135 | 3400 | 17600 | 1120 | 25 | 190 | 380 | 133 | 812/500 M | - | |
此轴承 样本图纸
同品牌推荐
轴承广泛应用于:玻璃机械 攻丝机 螺柱焊机 工业烘干机 照排机 混合式换热器 洗脱两用机 不阻塞泵 万能打印机 列管式换热器 石墨换热器 塑料机械 烘干固化设备 刨床 片皮机 等领域。

