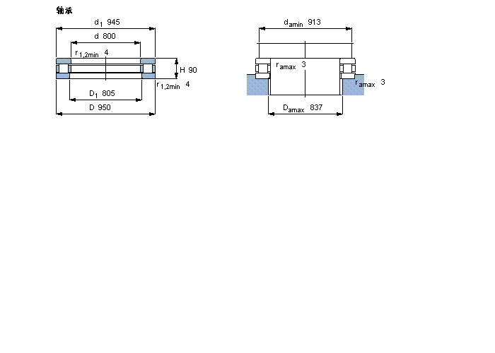
891/800M轴承
891/800M轴承(内径:800 外径:950厚度:90的圆柱滚子推力轴承),891/800M轴承是苏州凯诺永晟提供的SKF品牌轴承,
此外我公司还为您推荐各种国产、其他进口品牌替换891/800M轴承。公司承载着“以质量为本,服务为路线”的道路深得各机械行业公司的信任!
更多高转速、高载荷等适用于极限环境的轴承库存现货,请致电“0512-57922999”咨询!
| 圆柱滚子推力轴承, 轴承 / 圆柱滚子和保持架止推组件 | ||||||||||||
| 公差 , 参见文字 | ||||||||||||
| 推荐配合 | ||||||||||||
| 轴和轴承座公差 | ||||||||||||
|
|
||||||||||||
| 主要数据尺寸 | 基本负荷额定值 | 疲劳负荷限值 | 最小负荷系数 | 额定速度 | 体积 | 型号 | ||||||
| 动态 | 静态 | 参照速度 | 限制速度 | 轴承 | 圆柱滚子和保持架止推组件 | |||||||
| d | D | H | C | C0 | Pu | A | ||||||
|
|
||||||||||||
| mm | kN | kN | - | r/min | kg | - | ||||||
|
|
||||||||||||
| 800 | 950 | 90 | 2500 | 18000 | 1040 | 26 | 190 | 380 | 120 | 891/800 M | - | |
此轴承 样本图纸
同品牌推荐
轴承广泛应用于:涂装设备 蛋糕房设备 提升机 纺纱设备(纺机) 热风炉 刻楦机 滴丸机 立式干燥机 气流干燥设备 模温机 化工成型设备 纺织设备和器材 喷码机 贴标机械 冷冻机 等领域。
