BFSB353247轴承
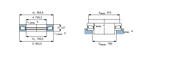
			 BFSB353247轴承(内径:749.3 外径:952.5厚度:954.8的圆锥滚子推力轴承),BFSB353247轴承是苏州凯诺永晟提供的SKF品牌轴承,
			 此外我公司还为您推荐各种国产、其他进口品牌替换BFSB353247轴承。公司承载着“以质量为本,服务为路线”的道路深得各机械行业公司的信任!
			 更多高转速、高载荷等适用于极限环境的轴承库存现货,请致电“0512-57922999”咨询!
		   
		  
  | 圆锥滚子推力轴承, 单向 | ||||||||||
| 公差 , 参见文字 | ||||||||||
| 推荐配合 | ||||||||||
| 轴和轴承座公差 | ||||||||||
|   | ||||||||||
| 主要数据尺寸 | 基本负荷额定值 | 疲劳负荷限值 | 最小负荷系数 | 体积 | 型号 | |||||
| 动态 | 静态 | |||||||||
| d | D | d1 | H | C | C0 | Pu | A | |||
|   | ||||||||||
| mm | kN | kN | - | kg | - | |||||
|   | ||||||||||
| 749,3 | 952,5 | 954,8 | 127 | 5830 | 30000 | 1730 | 72 | 230 | BFSB 353247 | |
此轴承 样本图纸
同品牌推荐
轴承广泛应用于:压塑机 激光切割机 搅拌机 热熔胶机 曲线导轨 空气净化设备 塑料混色机 包本机 无级变速机 混凝土机械 螺杆冷冻机 水转印设备 海德堡印刷机 气浮设备 配页机 等领域。

