BGSB358345轴承
BGSB358345轴承(内径:330 外径:495厚度:89的圆柱滚子推力轴承),BGSB358345轴承是苏州凯诺永晟提供的SKF品牌轴承,
此外我公司还为您推荐各种国产、其他进口品牌替换BGSB358345轴承。公司承载着“以质量为本,服务为路线”的道路深得各机械行业公司的信任!
更多高转速、高载荷等适用于极限环境的轴承库存现货,请致电“0512-57922999”咨询!
| 圆柱滚子推力轴承, 轴承 / 圆柱滚子和保持架止推组件 | ||||||||||||
| 公差 , 参见文字 | ||||||||||||
| 推荐配合 | ||||||||||||
| 轴和轴承座公差 | ||||||||||||
|
|
||||||||||||
| 主要数据尺寸 | 基本负荷额定值 | 疲劳负荷限值 | 最小负荷系数 | 额定速度 | 体积 | 型号 | ||||||
| 动态 | 静态 | 参照速度 | 限制速度 | 轴承 | 圆柱滚子和保持架止推组件 | |||||||
| d | D | H | C | C0 | Pu | A | ||||||
|
|
||||||||||||
| mm | kN | kN | - | r/min | kg | - | ||||||
|
|
||||||||||||
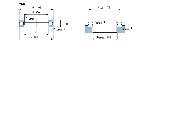
| 330 | 495 | 89 | 2240 | 12000 | 865 | 1,2 | 300 | 600 | 66,0 | BGSB 358345 | - | |
此轴承 样本图纸
同品牌推荐
轴承广泛应用于:化纤机械 退火炉 无纺布印刷设备 计量泵 卧式车床 减速箱 橡胶成型机 空气干燥机 电子元件成型机 混合机 干式冷却塔 压焊机 矿业元素分析仪 线切割 发泡设备 等领域。
