BT2B328346轴承
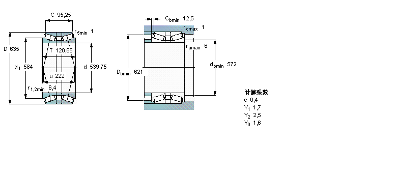
BT2B328346轴承(内径:539.75 外径:635厚度:120.65的圆锥滚子轴承),BT2B328346轴承是苏州凯诺永晟提供的SKF品牌轴承,
此外我公司还为您推荐各种国产、其他进口品牌替换BT2B328346轴承。公司承载着“以质量为本,服务为路线”的道路深得各机械行业公司的信任!
更多高转速、高载荷等适用于极限环境的轴承库存现货,请致电“0512-57922999”咨询!
| 圆锥滚子轴承, 单列,背对背配对 | ||||||||||
| 公差 , 参见文字 | ||||||||||
| 轴向内部间隙, 参见文字 | ||||||||||
| 推荐配合 | ||||||||||
| 轴和轴承座公差 | ||||||||||
|
|
||||||||||
| 主要数据尺寸 | 基本负荷额定值 | 疲劳负荷限值 | 额定速度 | 体积 | 型号 | |||||
| 动态 | 静态 | 参照速度 | 限制速度 | |||||||
| d | D | B | C | C0 | Pu | |||||
|
|
||||||||||
| mm | kN | kN | r/min | kg | - | |||||
|
|
||||||||||
| 539,75 | 635 | 120,65 | 1340 | 4400 | 320 | 450 | 850 | 60,0 | BT2B 328346 | |
此轴承 样本图纸
同品牌推荐
轴承广泛应用于:畜牧、养殖业机械 喷雾干燥机 气体保护焊机 钢筋切断机 锻压机床 化工设备 电磁吸盘 插片机 吸上式喷枪 立式泵 补鞋机 气动焊机 自然通风冷却塔 高空作业机械 杀菌机 等领域。
