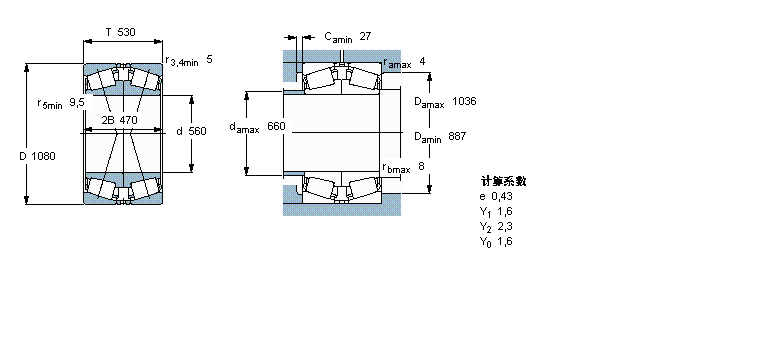
BT2B334017/HA5轴承
			 BT2B334017/HA5轴承(内径:560 外径:1080厚度:530的圆锥滚子轴承),BT2B334017/HA5轴承是苏州凯诺永晟提供的SKF品牌轴承,
			 此外我公司还为您推荐各种国产、其他进口品牌替换BT2B334017/HA5轴承。公司承载着“以质量为本,服务为路线”的道路深得各机械行业公司的信任!
			 更多高转速、高载荷等适用于极限环境的轴承库存现货,请致电“0512-57922999”咨询!
		   
		  
  | 圆锥滚子轴承, 单列,面对面配对 | ||||||||||
| 公差 , 参见文字 | ||||||||||
| 轴向内部间隙, 参见文字 | ||||||||||
| 推荐配合 | ||||||||||
| 轴和轴承座公差 | ||||||||||
|   | ||||||||||
| 主要数据尺寸 | 基本负荷额定值 | 疲劳负荷限值 | 额定速度 | 体积 | 型号 | |||||
| 动态 | 静态 | 参照速度 | 限制速度 | |||||||
| d | D | T | C | C0 | Pu | |||||
|   | ||||||||||
| mm | kN | kN | r/min | kg | - | |||||
|   | ||||||||||
| 560 | 1080 | 530 | 15400 | 31500 | 2000 | 280 | 500 | 2270 | BT2B 334017/HA5 | |
此轴承 样本图纸
同品牌推荐
轴承广泛应用于:卧式橡胶机械 分选筛 潜水泵 手动焊机 打胶机 植保机械 炼铁设备 其他纺织设备和器材 电子 金属包装机械 反应设备 湿式冷却塔 修鞋设备 上光机 塑料印刷设备 等领域。

