E2.6309-2Z/C3轴承
E2.6309-2Z/C3轴承(内径:45 外径:100厚度:25的深沟球轴承),E2.6309-2Z/C3轴承是苏州凯诺永晟提供的SKF品牌轴承,
此外我公司还为您推荐各种国产、其他进口品牌替换E2.6309-2Z/C3轴承。公司承载着“以质量为本,服务为路线”的道路深得各机械行业公司的信任!
更多高转速、高载荷等适用于极限环境的轴承库存现货,请致电“0512-57922999”咨询!
| 深沟球轴承, 单列, SKF Energy Efficient (E2) bearings | ||||||||||
| 公差, 参见文字 | ||||||||||
| 径向内部游隙 , 参见文字 | ||||||||||
| 推荐配合 | ||||||||||
| 轴和轴承座公差 | ||||||||||
|
|
||||||||||
| 主要数据尺寸 | 基本负荷额定值 | 疲劳负荷限值 | 额定速度 | 体积 | 型号 | |||||
| 动态 | 静态 | 参照速度 | 限制速度 | |||||||
| d | D | B | C | C0 | Pu | |||||
|
|
||||||||||
| mm | kN | kN | r/min | kg | - | |||||
|
|
||||||||||
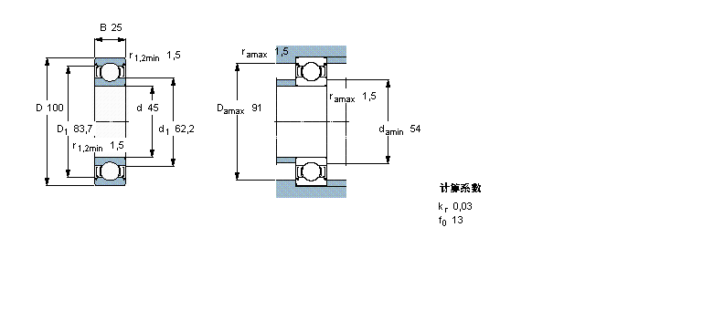
| 45 | 100 | 25 | 52,7 | 31,5 | 1,34 | 17000 | 8700 | 0,83 | E2.6309-2Z/C3 | |
此轴承 样本图纸
同品牌推荐
轴承广泛应用于:植保机械 烘干固化设备 水冷式冷冻机 喷雾式冷却塔 油烟净化设备 凹版印刷机 金属焊机 折弯机 原料药设备及机械 动压导轨 打胶机 永磁吸盘 包装辅助设备 管式反应器 混凝土搅拌机 等领域。
