FYRP2.15/16H轴承
FYRP2.15/16H轴承(内径:- 外径:-厚度:-的带法兰的滚子轴承单元),FYRP2.15/16H轴承是苏州凯诺永晟提供的SKF品牌轴承,
此外我公司还为您推荐各种国产、其他进口品牌替换FYRP2.15/16H轴承。公司承载着“以质量为本,服务为路线”的道路深得各机械行业公司的信任!
更多高转速、高载荷等适用于极限环境的轴承库存现货,请致电“0512-57922999”咨询!
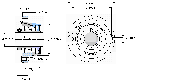
| 带法兰的滚子轴承单元, 锁定套和插口,用于英制的轴, locating units, general conditions (double-lip seals) | |||||||||||
|
|
|||||||||||
| 尺寸 | 尺寸 [英寸] | 限制速度 | 质量 | 型号 | 轴承,基本型号 | ||||||
| 动态 | 静态 | ||||||||||
| da | A1 | J | L | T | C | C0 | |||||
|
|
|||||||||||
| mm | kN | r/min | kg | - | - | ||||||
|
|
|||||||||||
| 74,612 | 79,4 | 190,5 | 222,3 | 40,481 | 158 | 208 | 1600 | 8,85 | FYRP 2.15/16 H | 22215 | |
此轴承 样本图纸
同品牌推荐
轴承广泛应用于:压塑机 分切机 铸造及热处理设备 钻采设备 工业干燥箱 兽用器械 电动搅拌机 排屑机 陶瓷建材加工设备 软化水设备 永磁吸盘 等离子切割机 补鞋机 制粒干燥设备 齿轮减速机 等领域。
