KMT22轴承
			 KMT22轴承(内径:110 外径:134厚度:32的带锁紧销的KMT精密锁紧定螺母),KMT22轴承是苏州凯诺永晟提供的SKF品牌轴承,
			 此外我公司还为您推荐各种国产、其他进口品牌替换KMT22轴承。公司承载着“以质量为本,服务为路线”的道路深得各机械行业公司的信任!
			 更多高转速、高载荷等适用于极限环境的轴承库存现货,请致电“0512-57922999”咨询!
		   
		  
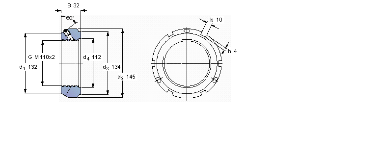
  | 带锁紧销的KMT精密锁紧定螺母 | ||||||||||
|   | ||||||||||
| 螺纹尺寸 | 尺寸 | 轴向负荷 | 体积 | 型号 | 平头螺钉 | |||||
| 承载能力 | 锁定螺母 | 适宜的板手 | 尺寸 | 推荐的紧固扭矩 | ||||||
| d3 | B | G | 静态 | |||||||
|   | ||||||||||
| - | mm | - | kN | kg | - | - | - | Nm | ||
|   | ||||||||||
| 110 | 134 | 32 | M 110x2 | 800 | 1,45 | KMT 22 | HN 21-22 | M 10 | 35 | |
此轴承 样本图纸
同品牌推荐
轴承广泛应用于:离心泵 成型机 压接机 网带炉 提升设备 油冷却器 镗床 电热焊机 打包机械 板式塔 电动焊机 湿式冷却塔 塑机辅机 环保节能设备 普通型冷却塔 等领域。

