MB10C轴承
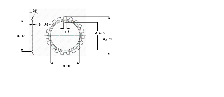
MB10C轴承(内径:50 外径:74厚度:1.75的MB(L)锁定垫圈),MB10C轴承是苏州凯诺永晟提供的SKF品牌轴承,
此外我公司还为您推荐各种国产、其他进口品牌替换MB10C轴承。公司承载着“以质量为本,服务为路线”的道路深得各机械行业公司的信任!
更多高转速、高载荷等适用于极限环境的轴承库存现货,请致电“0512-57922999”咨询!
| MB(L)锁定垫圈 | ||||||
|
|
||||||
| 尺寸 | 体积 | 型号 | ||||
| 锁紧垫圈 | 适宜的锁定螺母 | |||||
| d | d2 | B | ||||
|
|
||||||
| mm | kg | - | ||||
|
|
||||||
| 50 | 74 | 1,75 | 0,016 | MB 10 C | KM 10 | |
此轴承 样本图纸
同品牌推荐
轴承广泛应用于:钻采设备 切纸机 回转干燥机 砂磨机 橡胶挤出机 夹层玻璃生产线 绞车 玻璃清洗机 干粉混合设备 矿业物探仪器 塑料混色机 重选设备 回火炉 饮料生产设备 震动盘 等领域。
