MB12轴承
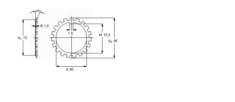
MB12轴承(内径:60 外径:86厚度:1.5的MB(L)锁定垫圈),MB12轴承是苏州凯诺永晟提供的SKF品牌轴承,
此外我公司还为您推荐各种国产、其他进口品牌替换MB12轴承。公司承载着“以质量为本,服务为路线”的道路深得各机械行业公司的信任!
更多高转速、高载荷等适用于极限环境的轴承库存现货,请致电“0512-57922999”咨询!
| MB(L)锁定垫圈 | ||||||
|
|
||||||
| 尺寸 | 体积 | 型号 | ||||
| 锁紧垫圈 | 适宜的锁定螺母 | |||||
| d | d2 | B | ||||
|
|
||||||
| mm | kg | - | ||||
|
|
||||||
| 60 | 86 | 1,5 | 0,024 | MB 12 | KM 12 | |
此轴承 样本图纸
同品牌推荐
轴承广泛应用于:曲线导轨 塑料成型机 分凝器 橡胶成型机 打胶机 等离子切割机 塑料机械 均质设备 印染整机械与设备 制药设备 纺织辅助设备 材料试验机 脚踏焊机 豆制品加工设备 铣齿机 等领域。
