N39/500ECMB/W33轴承
N39/500ECMB/W33轴承(内径:500 外径:670厚度:128的圆柱滚子轴承),N39/500ECMB/W33轴承是苏州凯诺永晟提供的SKF品牌轴承,
此外我公司还为您推荐各种国产、其他进口品牌替换N39/500ECMB/W33轴承。公司承载着“以质量为本,服务为路线”的道路深得各机械行业公司的信任!
更多高转速、高载荷等适用于极限环境的轴承库存现货,请致电“0512-57922999”咨询!
| 圆柱滚子轴承, 单列, N 设计 | ||||||||||||
| 公差 , 参见文字 | ||||||||||||
| 径向内部间隙, 圆柱型内孔 , 圆锥型内孔, 无密封件 , 参见文字 | ||||||||||||
| 推荐配合 | ||||||||||||
| 轴和轴承座公差 | ||||||||||||
|
|
||||||||||||
| 主要数据尺寸 | 基本负荷额定值 | 疲劳负荷限值 | 额定速度 | 体积 | 型号 | 适宜的斜挡圈 | ||||||
| 动态 | 静态 | 参照速度 | 限制速度 | 型号 | ||||||||
| d | D | B | C | C0 | Pu | |||||||
|
|
||||||||||||
| mm | kN | kN | r/min | kg | - | - | ||||||
|
|
||||||||||||
| 500 | 670 | 128 | 2330 | 5200 | 440 | 800 | 1200 | 130 | N 39/500 ECMB/W33 | - | ||
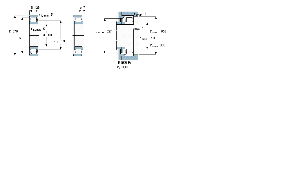
此轴承 样本图纸
同品牌推荐
轴承广泛应用于:打孔机 硫化机 桥式起重机 立式橡胶机械 纸包装机械 混凝土机械 厨房设备 真空干燥机 灌装机械 吸塑机 螺旋板式换热器 凹版印刷机 针轮减速机 缝纫机零件 气流干燥设备 等领域。
