NF28/1000ECMP/HA1轴承
NF28/1000ECMP/HA1轴承(内径:1000 外径:1220厚度:128的圆柱滚子轴承),NF28/1000ECMP/HA1轴承是苏州凯诺永晟提供的SKF品牌轴承,
此外我公司还为您推荐各种国产、其他进口品牌替换NF28/1000ECMP/HA1轴承。公司承载着“以质量为本,服务为路线”的道路深得各机械行业公司的信任!
更多高转速、高载荷等适用于极限环境的轴承库存现货,请致电“0512-57922999”咨询!
| 圆柱滚子轴承, 单列, NF 设计 | ||||||||||||
| 公差 , 参见文字 | ||||||||||||
| 径向内部间隙, 圆柱型内孔 , 圆锥型内孔, 无密封件 , 参见文字 | ||||||||||||
| 推荐配合 | ||||||||||||
| 轴和轴承座公差 | ||||||||||||
|
|
||||||||||||
| 主要数据尺寸 | 基本负荷额定值 | 疲劳负荷限值 | 额定速度 | 体积 | 型号 | 适宜的斜挡圈 | ||||||
| 动态 | 静态 | 参照速度 | 限制速度 | 型号 | ||||||||
| d | D | B | C | C0 | Pu | |||||||
|
|
||||||||||||
| mm | kN | kN | r/min | kg | - | - | ||||||
|
|
||||||||||||
| 1000 | 1220 | 128 | 3690 | 10000 | 620 | 400 | 530 | 350 | NF 28/1000 ECMP/HA1 | - | ||
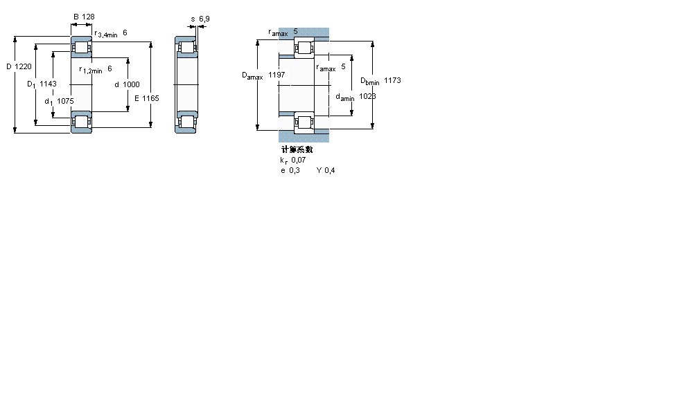
此轴承 样本图纸
同品牌推荐
轴承广泛应用于:水力选矿设备 熔接机 点焊机 面包房设备 钻套 粮食加工设备 动压导轨 普通型冷却塔 医护辅助设备 闭式反应釜 后帮机 翻斗车 起重机 化工混合设备 汽车消声器 等领域。
