NJ18/1320ECMA轴承
NJ18/1320ECMA轴承(内径:1320 外径:1600厚度:122的圆柱滚子轴承),NJ18/1320ECMA轴承是苏州凯诺永晟提供的SKF品牌轴承,
此外我公司还为您推荐各种国产、其他进口品牌替换NJ18/1320ECMA轴承。公司承载着“以质量为本,服务为路线”的道路深得各机械行业公司的信任!
更多高转速、高载荷等适用于极限环境的轴承库存现货,请致电“0512-57922999”咨询!
| 圆柱滚子轴承, 单列, NJ 设计 | ||||||||||||
| 公差 , 参见文字 | ||||||||||||
| 径向内部间隙, 圆柱型内孔 , 圆锥型内孔, 无密封件 , 参见文字 | ||||||||||||
| 推荐配合 | ||||||||||||
| 轴和轴承座公差 | ||||||||||||
|
|
||||||||||||
| 主要数据尺寸 | 基本负荷额定值 | 疲劳负荷限值 | 额定速度 | 体积 | 型号 | 适宜的斜挡圈 | ||||||
| 动态 | 静态 | 参照速度 | 限制速度 | 型号 | ||||||||
| d | D | B | C | C0 | Pu | |||||||
|
|
||||||||||||
| mm | kN | kN | r/min | kg | - | - | ||||||
|
|
||||||||||||
| 1320 | 1600 | 122 | 3800 | 10000 | 570 | 260 | 340 | 530 | NJ 18/1320 ECMA | - | ||
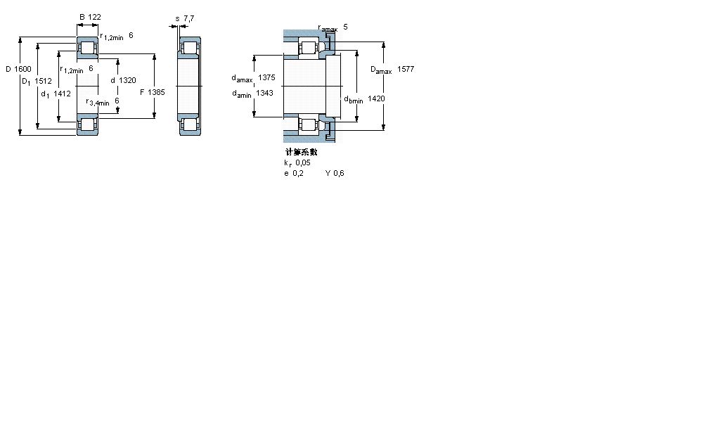
此轴承 样本图纸
同品牌推荐
轴承广泛应用于:工业炉 西餐店设备 再生破碎机 气体保护焊机 工作台 冷冻食品加工设备 光绘机 塑料压延机 皮革加工设备 刻楦机 玻璃机械 食用油加工设备 消防泵 热熔胶机 渔业机械 等领域。
