NJ18/800ECMA轴承
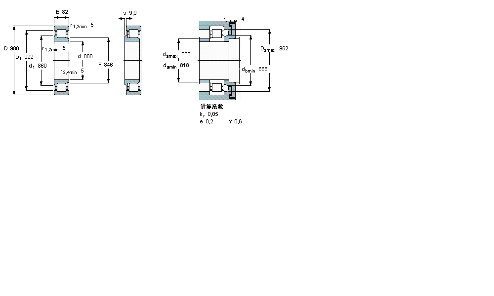
NJ18/800ECMA轴承(内径:800 外径:980厚度:82的圆柱滚子轴承),NJ18/800ECMA轴承是苏州凯诺永晟提供的SKF品牌轴承,
此外我公司还为您推荐各种国产、其他进口品牌替换NJ18/800ECMA轴承。公司承载着“以质量为本,服务为路线”的道路深得各机械行业公司的信任!
更多高转速、高载荷等适用于极限环境的轴承库存现货,请致电“0512-57922999”咨询!
| 圆柱滚子轴承, 单列, NJ 设计 | ||||||||||||
| 公差 , 参见文字 | ||||||||||||
| 径向内部间隙, 圆柱型内孔 , 圆锥型内孔, 无密封件 , 参见文字 | ||||||||||||
| 推荐配合 | ||||||||||||
| 轴和轴承座公差 | ||||||||||||
|
|
||||||||||||
| 主要数据尺寸 | 基本负荷额定值 | 疲劳负荷限值 | 额定速度 | 体积 | 型号 | 适宜的斜挡圈 | ||||||
| 动态 | 静态 | 参照速度 | 限制速度 | 型号 | ||||||||
| d | D | B | C | C0 | Pu | |||||||
|
|
||||||||||||
| mm | kN | kN | r/min | kg | - | - | ||||||
|
|
||||||||||||
| 800 | 980 | 82 | 1720 | 4150 | 280 | 530 | 700 | 145 | NJ 18/800 ECMA | - | ||
此轴承 样本图纸
同品牌推荐
轴承广泛应用于:锻压机床 注塑机 焊接辅机 饼干机械 高空作业机械 混流泵 其它未分类 中餐店设备 铝塑包装机 立式车床 螺旋板式换热器 打码机 手动焊机 气流干燥设备 炼钢设备 等领域。
