NJ19/530ECM/HB1轴承
NJ19/530ECM/HB1轴承(内径:530 外径:710厚度:82的圆柱滚子轴承),NJ19/530ECM/HB1轴承是苏州凯诺永晟提供的SKF品牌轴承,
此外我公司还为您推荐各种国产、其他进口品牌替换NJ19/530ECM/HB1轴承。公司承载着“以质量为本,服务为路线”的道路深得各机械行业公司的信任!
更多高转速、高载荷等适用于极限环境的轴承库存现货,请致电“0512-57922999”咨询!
| 圆柱滚子轴承, 单列, NJ 设计 | ||||||||||||
| 公差 , 参见文字 | ||||||||||||
| 径向内部间隙, 圆柱型内孔 , 圆锥型内孔, 无密封件 , 参见文字 | ||||||||||||
| 推荐配合 | ||||||||||||
| 轴和轴承座公差 | ||||||||||||
|
|
||||||||||||
| 主要数据尺寸 | 基本负荷额定值 | 疲劳负荷限值 | 额定速度 | 体积 | 型号 | 适宜的斜挡圈 | ||||||
| 动态 | 静态 | 参照速度 | 限制速度 | 型号 | ||||||||
| d | D | B | C | C0 | Pu | |||||||
|
|
||||||||||||
| mm | kN | kN | r/min | kg | - | - | ||||||
|
|
||||||||||||
| 530 | 710 | 82 | 1570 | 3050 | 240 | 850 | 1100 | 94,0 | NJ 19/530 ECM/HB1 | - | ||
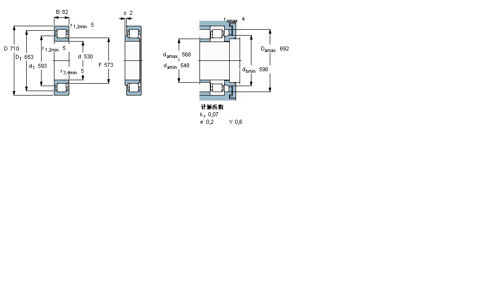
此轴承 样本图纸
同品牌推荐
轴承广泛应用于:切断机 木工机床 其他纺织设备和器材 罐头食品加工设备 兽用器械 蜗杆减速机 食品药品包装机 行车 气流干燥设备 立式泵 面包房设备 保鲜冷藏设备 炊事设备 塔式起重机 卷板机床 等领域。
